Страница 9 из 11

Зарядным устройством какого производителя Вы пользуетесь или советуете?

  • Орион (Striver)[ 82 ]29%
  • Сонар[ 9 ]3%
  • Кулон[ 22 ]7%
  • Кедр[ 17 ]6%
  • Жигули[ 5 ]1%
  • Тамбов[ 4 ]1%
  • Йошкар-Ола[ 4 ]1%
  • Бийск[ 4 ]1%
  • Самодельное или другой производитель[ 130 ]46%
Всего голосов: 277
НПП Орион
$n@ke писал(а):


Сейчас пользуюсь вот таким http://avtotovari.com/market/.


Это обычная китайская ПОДелка продаваемая под названиями Икар, Катод, Катунь. Модель у всех одинаковая - 501. Качество намного ниже среднего. Но при этом пишут, что произведено в Барнауле.
$n@ke
Работает давно, следить особо за ним не надо. А так подзарядил и к другу автоэлектрику на полный заряд АКБ.
Бессовестный
Подскажите, как выбирать зарядник? При продавце замер тестером делать? Как я понял, 14,5 вольт должно быть и (для моего 65 амперного) - 6,5 амперов выдавать. Правильно?
И фирма "Кулон" смотрю рулит
Suse
Рулид автоэлектроника т101 вроде
TDream
Бессовестный писал(а):

Подскажите, как выбирать зарядник? При продавце замер тестером делать?


Тестером вхолостую ничего ты не промеришь, многие автоматы без аккума даже не запустятся.
Договор с продавцом о замене, грамотно заполненая гарантия.
Ну или подсевший аккум и тестер (если мерить ток - то лучше стрелочный с пределом 10А и более) с собой для проверки. И всеравно гарантия.
Бессовестный
ну куплю я зарядник, подключу к севшему акуму, как понять, что зарядник не подходит??
Бессовестный
Взял у друга зарядник "Вымпел 15", заряжаю уже 14 часов, акум не кипит. Тестер имеется, было на клемах 12,04 вольта, теперь 13,17. Хозяин зарядного сам не в курсе о его работоспособности. Вначале горела красная лампочка (Ток) сек. 3 через 1, а теперь раз в 4 сек. моргнёт и всё. Это норма?
У кого имелся такой зарядник, как у вас он работал? Тоже не кипел или этого и не надо?
damp4
напряжение растет - процесс идет как надо. как достигнет 15 вольт, начнет снижать ампераж, "кипение" начнется
Бессовестный
а то, что простояло на зарядке 15 часов, но в итоге я не дождался выключил, это норм по времени?
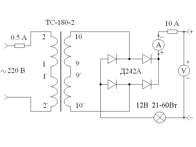
kulibin82
Мне вот такой собирают. Вот схемка для очумелых ручек:

sxema2_640.jpg
Описание:
Размер файла: 59.24 KB
Просмотрено: 754 раз(а)

sxema2_640.jpg
Бессовестный
а я по сей день не могу выбрать((
Финский трактор
Бессовестный писал(а):

а я по сей день не могу выбрать((


Вымпел-30. Взял и не жалею. Со своими обязанностями справляется превосходно.
Сделан в СССР
Сейчас самые лучшие -это белорусские зарядники.
Россия всё слила Китаю. А их неподконтрольное Западу качество вы сами знаете...
NAUexx
kulibin82
Good
Дёшево и сердито... Ток это не для очумелых ручек, а скорей наоборот - совсем уж неумелых. Smile
Но на начальном этапе пойдет. gpn
НПП Орион
Сделан в СССР писал(а):

Сейчас самые лучшие -это белорусские зарядники.
Россия всё слила Китаю. А их неподконтрольное Западу качество вы сами знаете...


Только в Белоруссии на сегодня нет производителей зарядных устройств. Их и в России осталось только 5 заводов: НПП " Орион" г.С-Петербург, Сонар г. СПБ, Кулон г. СПБ, Тамбовские зарядные г. Тамбов, Кедр г. Томск. Все остальные это Китай где многие приборы низкого качества. И если на коробке написано "сделано в России" - не верьте.
V010
Привет! Что скажете о Bosch C7(3800р.) и СТЕК MXS 5.0 POLAR(4950р.)? Как они в сравнении с зарядными устройствами "Орион" за ту же цену?
НПП Орион
V010 писал(а):

Привет! Что скажете о Bosch C7(3800р.) и СТЕК MXS 5.0 POLAR(4950р.)? Как они в сравнении с зарядными устройствами "Орион" за ту же цену?



У Bosch C7 вых. ток - не более!!!! 5 Ампер (несколько странная фраза, но взятая из инструкции) , у СТЕК MXS 5.0 POLAR - Зарядный ток, А (макс.) - 5 ампер. У зарядных устройств Орион ( Вымпел) зарядный ток - 18 Ампер (модель 325,320, Вымпел 30) или 20 ампер (модель 415, Вымпел 40). Но при этом розничные цены - 1400 ..... 1600 рублей.
Бессовестный
купил себе "Кулон 707 д", не нарадуюсь
Badmean
Кулон 715D года два уже как пользуюсь
alex-7
kulibin82 писал(а):

Мне вот такой собирают. Вот схемка для очумелых ручек:

sxema2_640.jpg
Описание:
Размер файла: 59,24 KB
Просмотрено: 13 раз(а)

sxema2_640.jpg


а как ток зарядки регулируеца???
Бессовестный
имею заряник "Кулон 707". Он без вентилятора и греется ужасно. Где-то слышал, что ставят сами кулер. Кто пробовал? А то думаю, но пока не знаю куда б его там подключить, сам не особо шарящий в электрике
НПП Орион
Автоматические зарядные устройства ОРИОН самостоятельно контролируют степень заряженности аккумуляторной батареи и способны вовремя изменять режим зарядки аккумулятора.
Возможность плавной ручной регулировки силы зарядного тока, а также его постоянство во времени позволяет Вам в полной мере оценить не только степень заряженности вашего аккумулятора, но и его реальную ёмкость (техническое состояние). С помощью стрелочных или линейных индикаторов Вы сможете контролировать силу зарядного тока непосредственно в процессе зарядки аккумулятора и следить за исправностью цепи заряда.
Использовав в зарядных устройствах ОРИОН высокочастотное (импульсное) преобразование энергии в силовой цепи, мы уменьшили массу и габаритные размеры наших устройств.
Отличительная особенность наших ЗУ для АВК заключается в принудительной вентиляции встроенным микровентилятором в моделях рассчитанных на большие токи. Нои и это еще не все. Все зарядные устройства ОРИОН снабжены аварийной схемой контроля внутренней температуры. Благодаря превосходным выходным характеристикам автомобильных зарядных устройств ОРИОН, можно спокойно заряжать аккумуляторные элементы и батареи с минимальным напряжением от 0В до 12В (24В), до какой степени не был бы разряжен аккумулятор. Эта особенность позволит Вам проверить работоспособность зарядного устройства без аккумулятора, например при продаже, для этого достаточно просто замкнуть выходные провода.
Наше зарядное устройство можно использовать и в качестве предпускового.
Зарядное устройство ОРИОН представляет собой высокоточный источник постоянного напряжения со стабилизацией выходного тока, что предоставляет отличную возможность подключать к нему всевозможные низковольтные устройства, такие как, автомагнитола, полировальная машинка, электроотвёртка, галогеновые светильники и многие другие устройства, напряжение питания которых составляет 12В-15В(24-29В).
morgules561
Купил PW320 - НПП ОРИОН !
Пока - доволен , ( хотя отношусь с подозрение к незнакомому ) ... !
До этого пользовался военным зарядником , но сейчас в отпуске - понадобилась зарядка ВЫБРАЛ ! Пронес, почитал инструкцию , погонял АКБ - работает все и в автоматическом режиме и ручном ! Легко и просто !

Понравился БУФЕРНЫЙ РЕЖИМ ... для не новых батарей !
Andre_S
Подогнали мертвый кулон-715. восстановил.
Выставил напряжение 14.3 , ток задал стоит заряжает.
alexey 61 rus
прошлой зимой потребовалось автоматическое ЗУ для кальциевых аккумуляторов, т.е. с напряжением зарядки более 16в. выбор пал на Кулон-405. но ростовский дилер Агруппа подсунул со старой прошивкой, где макс. напряжение около 15в. пока бодался с дилером и зима закончилась. так как с новой прошивкой у них не оказалось, предложили взять Вымпел-50. но не взял, решил до следующей зимы подождать. вот пришло время покупать, а у дилера нет этих Вымпел-50. и говорят, что не будут их продавать-все изделия БРАК. стал читать нет, все отзывы Негатив. так что, Господа-Производители? все Вымпел-50 "сырые"? как-то не хочется за свои деньги полуфабрикат покупать
Новая тема Ответить на тему
Показать сообщения:
Страница 9 из 11
Перейти:
ИНФОРМАЦИЯ ПО ИКОНКАМ И ВОЗМОЖНОСТЯМ

Вы не можете начинать темы
Вы не можете отвечать на сообщения
Вы не можете редактировать свои сообщения
Вы не можете удалять свои сообщения
Вы не можете голосовать в опросах
Вы можете вкладывать файлы
Вы можете скачивать файлы

-->