Страница 1 из 3
Leshiy749
Всем привет. Имеется ВАЗ 21124, 2008 г., с новой панелькой приборов. Сегодня делал шумку 5-й двери. После этого начались траблы. Когда включается задняя передача, горит предохранитель, тухнет панель приборов и БК (стоит гамма GF 217 вроде, точно не помню). На панеле приборов не работают приборы (топливо, обороты, температура...), подсветка приборов работает нормально. Где копать, что мог повредить, подскажите. В електрике почти ноль, но в даной ситуации полный ноль. Помогите пожалуста, ато без машинки ни как, рабочая лошадка. Советы такие как езди без приборки не принимаются.
Gennadiy K
Leshiy749 facepalm
Спокойно, ща починим.
Короче - у тебя при включении задней перегорает F19 - это значит, что зелёный провод от какого-то заднеходного фонаря ты замкнул на массу.
Снимай оббивку задней двери и аккуратно, начиная от фонарей проверяй зелёные провода докуда сможешь добраться.
Приготовь запасных предохранителей на 10А и изоленту - это не дорого совсем, по сравнению со сгоревшей проводкой, большие по току предохранители не ставь, там 10-ти Амперных то много.
kotmu
Leshiy749 писал(а):

Сегодня делал шумку 5-й двери.


Leshiy749 писал(а):

Когда включается задняя передача, горит предохранитель


для начала посмотри, как одеты разъемы на фонари.. или попробуй разъемы ввобще снять и поставь пред...должна панель приборов работать... попробуй вкл. задний - что будет...?
Vit59
Leshiy749 писал(а):

Всем привет. Имеется ВАЗ 21124, 2008 г., с новой панелькой приборов. Сегодня делал шумку 5-й двери. После этого начались траблы. Когда включается задняя передача, горит предохранитель,


Искать К.З. в 5 двери, + провода к фонарям заднего хода
Leshiy749
все советы логичные, надо бутет все посмотреть. да кстати, отключал провода от правого фонаря габариты-стоп. Может там коротнуло когда одевал назад?
Gennadiy K
Leshiy749 писал(а):

все советы логичные

Спасибо, стараемся не тупить.
Leshiy749 писал(а):

отключал провода от правого фонаря габариты-стоп

Нет такого фонаря. Есть габариты/ЗПТФ/поворотники, а в пятой двери стопы/задний ход.
Проверь для начала подключение к фонарям и лампы, или
kotmu писал(а):

попробуй разъемы ввобще снять и поставь пред...должна панель приборов работать... попробуй вкл. задний - что будет...?

ну а потом лезь под обшивку.
dirton20
Ребята, здравствуйте. Помощь очень нужна, простите что некогда было лазить по форуму..
Сегодня приключилась такая беда:
Ехал по ровной дороге, вдруг потухла приборка (все лампы, стрелки упали), задымелся предохранитель F19 (дада, знаю что многое на нем висит), но не перегорел, видимо предохранители такие или замыкание не полное. Суть в чем: обрезал провод стоп сигналов, обрезал провод заднего хода (у датчиков), обрезал провод колодки Ш4 под номером 17, который из колодки идёт на приборку. Вставил предохранитель - приборка не работает (только подсветка), поворотники не работают, ни одна лампа, кроме Check не горит. Интересный факт: при включении зажигания на Ш4/17 появляется минус. Когда стыкую провод обратно этот с частью, которая идёт наверх, и она же соответственно не хило подпалена, идёт замыкание. К сожалению напряжение проаерит не могу, тестер как никогда никстати сдох..проверяю чисто на замыкание. Так же подплавлен провод ГП от колодки замка зажигание (Ш2/15). Не понимаю что случилось и куда теперь копать...приборка то фиг с ним, но поворотники не работают и зарядка АКБ судя по всему - вот это проблема..
Kuba
dirton20
Ставить лампочку в разрыв этого провода что идет наверх лампочку от поворотников,в твоем случае она будет гореть т.к кз гдето вверху и шевелить проводку либо поочередно отключать все что на нем висит,на этом проводе.
Пока лампочка не потухнет.
dirton20
Прикол в том, что данный провод оранжевый колодки Ш4 подписан как "генератор" на схеме. Когда прозваниваю его - звонится на F19. Но, когда включаю зажигание - на нем каким то образом получается минус. Это как вобще? И он все таки не наверх идет..он ещё и на аварийку идёт, но аварийка работает исправно .
витмар
dirton20
С гены обмотка возбуждения.Фишка "D".
Нормальный пред от КЗ сгорает влет.
Отцепи фишку с гегератора.
Kuba
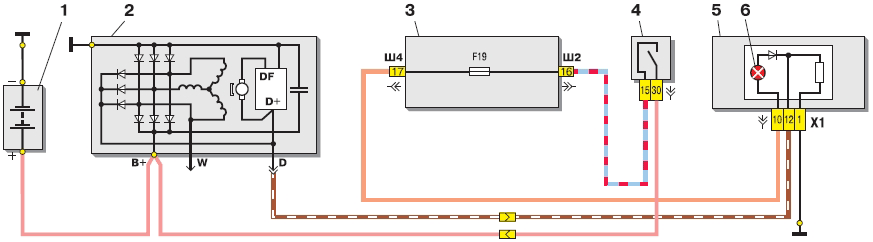
Замок зажигания смотри ,на ш4/17 через предохранитель F19 идет + от замка зажигания ,

Добавлено спустя 39 секунд:

Вроде так.

Shema-generatora-VAZ-2110-94.3701.png
Описание:
Размер файла: 13.5 KB
Просмотрено: 117 раз(а)

Shema-generatora-VAZ-2110-94.3701.png
dirton20
Нашел перемычку, которая висит на минусе. Кто знает куда она идёт? А то так наугад очень сложно будет, там пздц скоко изолента и скорее всего придется торпеду снимать...

Добавлено спустя 1 минуту 56 секунд:

Для того чтобы заработала приборка - я отрезал оранжевый провод от этой перемычки (который идёт именно с приборки) и подцепил его на Ш4/17, приборка заработала, повороты соответственно нет..

ResizedImage20250418_182719.jpg
Описание:
Размер файла: 534.03 KB
Просмотрено: 198 раз(а)

ResizedImage20250418_182719.jpg
витмар
Ежли режешь,нах тогда спрашиваешь?
dirton20
Да потому что ещё 3 провода и я хз куда они идут. Я все возвращаю в зад и пытаюсь найти КЗ. Уточню, что если и режу, то совершенно не бездумно, дабы вичыслить в полевых условиях, где КЗ методом исключения

Добавлено спустя 58 секунд:

Вот та перемычка, что на фото, там 4 провода. Я ее не могу найти на схеме..поэтому и спрашиваю вашего совета, совета бывалых

Добавлено спустя 52 секунды:

витмар писал(а):

dirton20
С гены обмотка возбуждения.Фишка "D".
Нормальный пред от КЗ сгорает влет.
Отцепи фишку с гегератора.


Приборка заработала, лампа возбуждения тухнет после того, как завожу. По идее с этой линией все нормально

Добавлено спустя 14 минут 36 секунд:

Кстати прозвонил провода на кнопке аварийки, при снятой кнопке оранжевый и черный, то бишь, плюс и минус - звоняться между собой
NAUexx
1. Успокойся и выдохни, не мальчик уже, чтоб так суетиться.
2. Вынь пред F19, верни всё взад, т.е. соедини всё, что ты там наоткусывал, разлепи все явно спёкшиеся провода.
3. Дальше действуй, как положено умудрённому опытом автоэлектрику - вместо преда поставь лампу от поворотников (21 Ватт) и включи зажигание. Лампа если и загорится, то очень тускло, через цепь возбуждения гены.
Если горит ярко, то начинай отключать (лампа должна гаснуть):
а) провод возбуда с гены
б) реле контроля исправности ламп в ЧЯ
в) разъём с БУБД
г) разъём с БСК
д) разъём часов/МК
е) разъёмы (по одному) с приборки
ж) разъём (не помню какой) в левом борту под стойкой над ЧЯ
з) разъёмы в задних фонарях.
Результат в студию.

Последний раз редактировалось: NAUexx (19 Апреля 2025 21:51), всего редактировалось 1 раз
dirton20
Простите. Но исходя из экспрес так и вышло..есть не рабочий тестер, который ищет только "КЗ", снятые разъемы:
1) бск
2) приборки
3) датчика заднего хода (питающий замкнут на землю (тестер пищит когда ставлю один щуп на корпус, второй на питающий жёлтый))
4) часов нету
5) кнопка аварийки (снял кнопку, прозвонил жёлтый и черный - КЗ)
6) прикуриватель
7) что увидел, так это перемычку с 4 проводов, которая в основном жгуте, и по всей видимости, один из проводов замкнут на "-". Там 2 оранжевых, коричнево-синий и похоже жёлтый. Они уходят под приборку и возможно в моторный отсек какой-то идёт. На схеме проследить не могу, не вижу возможно в упор

Добавлено спустя 2 минуты 6 секунд:

Очень плохо то, что помимо датчиков имеет место быть замыкание на выходе с моторного щита например, тогда никакое отключение приборов не поможет, только щупанье..
Kuba
dirton20
Часто бывает что из салона в моторный отсек запускают провода чтобы чтото нештатное включалось при вкл зажигания.
Похоже эта скрутка именно для этого и сделана.
Открывай капот и смотри нештатную проводку..
dirton20
Kuba писал(а):

dirton20
Часто бывает что из салона в моторный отсек запускают провода чтобы чтото нештатное включалось при вкл зажигания.
Похоже эта скрутка именно для этого и сделана.
Открывай капот и смотри нештатную проводку..


Уже давно все вырезано)
На данный момент (извините, что повторюсь) проблема с поворотами, а точнее что подрулевой не включает повороты. При этом аварийка работает. Так же, в фишке кнопки аварийки, есть тот самый жёлтый провод от Ш4/17, который замкнут на землю.
Kuba
dirton20 писал(а):

Kuba писал(а):

dirton20
Часто бывает что из салона в моторный отсек запускают провода чтобы чтото нештатное включалось при вкл зажигания.
Похоже эта скрутка именно для этого и сделана.
Открывай капот и смотри нештатную проводку..


Уже давно все вырезано)
На данный момент (извините, что повторюсь) проблема с поворотами, а точнее что подрулевой не включает повороты. При этом аварийка работает. Так же, в фишке кнопки аварийки, есть тот самый жёлтый провод от Ш4/17, который замкнут на землю.


Отключи подрулевой переключатель поворотов.
NAUexx
dirton20 писал(а):

в фишке кнопки аварийки, есть тот самый жёлтый провод от Ш4/17, который замкнут на землю.


Я, вроде, дальтонизмом не страдал... вижу плохо, это да, но оранжевый провод от жёлтого я вроде ещё отличаю... См. схему поворотников, пин №2 на кнопке аварийки (поз.4).
Кроме того, почему проигнорированы пункты а), б), в), ж) и з)?
Зачем тогда вообще тут вопрошаешь?
И да, соглашусь с Kuba, надо проверять всю нештатку. Одному Богу известно, куда там чего наподключали. facepalm
И эта... Тестер новый купи, а в данном случае тебе нужен даже не он, а контролька (лампочка на 21 Ватт). supercool

Добавлено спустя 6 минут 50 секунд:

dirton20 писал(а):

Кстати прозвонил провода на кнопке аварийки, при снятой кнопке оранжевый и черный, то бишь, плюс и минус - звоняться между собой


На какой пин кнопки аварийки приходит чёрный провод? И на какой оранжевый? Что у тебя там за колхоз?

Добавлено спустя 4 минуты 18 секунд:

Кстати... а вынь ка из ЧЯ релюху аварийки. Лампа вместо F19 гореть перестала?
dirton20
а) провод возбуда гены отключал, не помогло, КЗ осталось. Когда разобрался с самой приборкой, воткнул обратно, лампа контроля генератора горит, при запуске двс тухнет
Б) реле контроля "вырезано", стоят перемычки, их тоже снимал
В) БУБД не додумался отключить, но он работает (закрывает/открывает все двери)
Г) бск был снят сразу ещё до проверки и прозвонки
Д) часов нету, МК нету
Е) снимал по одному, замыкание осталось оранжевого провода, т.к. этот провод подходит к "скрутке" фото которой я приложил ранее.
Ж) по поводу фишки над ЧЯ: да, там есть такая, и там тоже есть оранжевый провод который идёт от/к этой же скрутке, он тоже подпаленый, и на данный момент я не помню, снята ли она была при проверке... Но куда она дальше идёт - не понимаю, похоже под накладкой торпеды и она придавлена
З) тоже не снимал, ведь к F19 относятся стопы, а провод, который идёт на стопы, я снял с лягушки
Kuba
dirton20 писал(а):

снимал по одному, замыкание осталось оранжевого провода, т.к. этот провод подходит к "скрутке


Скрутку раскручивай и по одному проводу потом подключай к оранжевому,
Какой будет коротить в его сторону и копай.

Добавлено спустя 2 минуты 37 секунд:

ЗЫ.на фото это не скрутка ,это обжимка заводская.
NAUexx
dirton20 писал(а):

Ж) по поводу фишки над ЧЯ: да, там есть такая, и там тоже есть оранжевый провод который идёт от/к этой же скрутке, он тоже подпаленый


Так... вот тут тормози...
Вместо F19 вставь уже лампочку то! Горит? Если да, то пробуй расцепить этот разъём. Нет? Два варианта:
1. КЗ не от сюда (хотя, вряд ли, иначе какого лешего этому проводу подплавляться)
2. КЗ, неполное, было... потом всё окончательно отгорело и теперь его нет.
NAUexx писал(а):

На какой пин кнопки аварийки приходит чёрный провод? И на какой оранжевый? Что у тебя там за колхоз?

?
NAUexx писал(а):

вынь ка из ЧЯ релюху аварийки. Лампа вместо F19 гореть перестала?


?

Добавлено спустя 4 минуты 10 секунд:

Kuba писал(а):

ЗЫ.на фото это не скрутка ,это обжимка заводская.


Кстати, я на фотке заметил ещё один "потусторонний" провод, который мне показался оплавленным в нескольких местах. Щас , поупражняюсь в рэинте, ткну стрелками. Smile
dirton20
Kuba писал(а):

на фото это не скрутка ,это обжимка заводская.


Да, верно..хотел написать обжимка, написал скрутка
Kuba писал(а):

Скрутку раскручивай и по одному проводу потом подключай к оранжевому,
Какой будет коротить в его сторону и копай.


Так и думал, но уже темно, и не могу лазить пол торпедой..

Добавлено спустя 6 минут 2 секунды:

NAUexx писал(а):

Вместо F19 вставь уже лампочку то


Если бы это было утро - ещё был бы вариант быстро все найти, но уже темно, и как уже сказал практически в поле, под руками что есть то есть, поэтому завтра срання постараюсь все сделать..
Но, извините меня за "потрошение проводки": я тот оранжевый, который идёт от приборки к обжимке, переподцепил отдельно на Ш4/17, приборка заработала.
На данный момент осталось в КЗ три провода со стороны ЧЯ, 4 провода со стороны центральной консоли. Один из них - это тот, что идёт на задний ход, это уже проверено.
Вопрос: если не возвращать назад кабель от обжимки (он шел от Ш4/17 до обжимки, оттуда на панель приборов), я один конец лампы на "+", второй на обжимку и смотреть по принципу, как вы объясняли, NAUexx?
NAUexx
Сродил... Smile
Красными стрелками указаны места ВЕРОЯТНОГО оплавления какого-то явно не штатного провода (сильно смахивает на провод от майфуны к акустике), жёлтой стрелкой указан подозрительно расплавившийся разъём... тут ничего утверждать на 100% не возьмусь, т.к. слепой стал, как крот. facepalm lol1
Сорян... Фотку забыл приаттачить. facepalm Старею... Pardon

.jpg
Описание:
Размер файла: 209.29 KB
Просмотрено: 137 раз(а)

.jpg
Новая тема Ответить на тему
Показать сообщения:
Страница 1 из 3
Перейти:
ИНФОРМАЦИЯ ПО ИКОНКАМ И ВОЗМОЖНОСТЯМ

Вы не можете начинать темы
Вы не можете отвечать на сообщения
Вы не можете редактировать свои сообщения
Вы не можете удалять свои сообщения
Вы не можете голосовать в опросах
Вы можете вкладывать файлы
Вы можете скачивать файлы

-->