bursanek
На форуме 12 лет
Сообщения: 49
Откуда: Санкт-ПЕТЕРБУРГ
Авто: 21103 1.5 16v 2003 январь 5.1
Привет всем! Натолкните на тему или помогите если можете: 2110 , проблема была в обогреве стекла заднего, нашел провод который сзадиводителя над стаканом(колесом) выходит к самому стеклу, он серый, в монтажном блоке нашел его конец который болтался безхозным, а в разьеме Ш5 2 есть как положено серо-красный провод его конец пропадает в панеле где не нашел. Тот конец серого воткнул на место серо-красного на картинке что Ш5 2, и свободный теперь конец серо-красного заизолировал. Завел проверил все работает обогрев работает, все оборудование впорядке. Начал собирать свои причендалы: закрыл монтажный блок включаю зажигание загорают на приборке лампы насос качает, как накачал включаю стартер - ноль эмоций. Открыл монтажный блок не трогал ни чего в нем - заводится. Глушу, закрываю монтажный блок - не заводится. Разкрутил монтажный блок пошевелил там, теперь и с открытым не работает стратер при втором положении ключа зажигания ну вообщем тишина( приборка работает бензо насос качает) где искать контакт в отошедший в ионтажном подскажите!!! или тему !!! спасибо!
проверил 16 Ш2 есть напряжение
19-08-04v.jpg |
Описание: |
помогите разобраться |
Размер файла: |
79.71 KB |
Просмотрено: |
747 раз(а) |

|
19-08-04b.jpg |
Описание: |
|
Размер файла: |
52.93 KB |
Просмотрено: |
755 раз(а) |

|
1.jpg |
Описание: |
|
Размер файла: |
148.37 KB |
Просмотрено: |
433 раз(а) |

|
владмир
На форуме 13 лет
Сообщения: 106
Откуда: челябинск
Авто: 2112 1,5 16v 2001г
bursanek писал(а):где искать контакт в отошедший в ионтажном подскажите!
стартер вообще то через монтажник не идет смотри разъемы над монтажником какого года авто ? может реле защиты стартера доп.установленное если покупное 100% косяк в проводах в месте обжима жил проводов на клеммах
bursanek
На форуме 12 лет
Сообщения: 49
Откуда: Санкт-ПЕТЕРБУРГ
Авто: 21103 1.5 16v 2003 январь 5.1
2003 г, скорее всего над монтажным так как когда его закрывал у него спереди крючок, крышка за счет которого не опускается обратно,так вот скорее всего он двигал вверху провода и их контатк пропал. Разобрал спидометр(панель приборов) там полазил, не знаю пошевелил, сигналка там стоит, не знаю что и тыркать!?? не заводится, зажигание есть.
Подскажите буду любые пожелания внимать!
Gennadiy K
На форуме 15 лет
Сообщения: 3064
Откуда: Рязань
Авто: Приора-хэтч 2013г
bursanek писал(а):скорее всего над монтажным так как когда его закрывал у него спереди крючок, крышка за счет которого не опускается обратно,так вот скорее всего он двигал вверху провода и их контатк пропал
Если грешишь именно на это место, то выше монтажного блока слева есть 8-ми контактный разъём, в нём проходит провод от замка к стартеру, его цвет розово-чёрный с одной стороны, переходящий в красный с другой стороны разъёма (штатные расцветки). Можешь проверить ещё двойной разъём с толстыми розовым и бело-чёрными проводами - розовый как раз питания замка зажигания.
Особо подсказать больше нечего, схема включения стартера довольно проста.
bursanek
На форуме 12 лет
Сообщения: 49
Откуда: Санкт-ПЕТЕРБУРГ
Авто: 21103 1.5 16v 2003 январь 5.1
спасибо посмотрю завтра! а может быть причина в сигнализации, под спидометром обнаружил два блока моего Alligatora, один раз щелчок слышал от туда поэтом снял приборку. Если я отсоединю минус от сигналки под капотом и попробую завести получится ? если сигналка заблокировала по прерыванию какого либо провода
Добавлено спустя 2 минуты 48 секунд:
Gennadiy K писал(а):
Особо подсказать больше нечего, схема включения стартера довольно проста.
а реле стартера где находится? в монтажном блоке реле K6 может быть причиной?
Gennadiy K
На форуме 15 лет
Сообщения: 3064
Откуда: Рязань
Авто: Приора-хэтч 2013г
Сигналка тоже может разрывать цепь стартера, но как там именно это реализовано я не представляю.
Добавлено спустя 2 минуты 2 секунды:
bursanek писал(а):а реле стартера где находится? в монтажном блоке реле K6 может быть причиной?
Реле стартера штатно не устанавливалось, самодельно установленное может быть где угодно, под капотом, например.
К6 к включению стартера не имеет отношения, оно включает дворники, печку, обогрев.
bursanek
На форуме 12 лет
Сообщения: 49
Откуда: Санкт-ПЕТЕРБУРГ
Авто: 21103 1.5 16v 2003 январь 5.1
[quote="Gennadiy K"]
bursanek писал(а): выше монтажного блока слева есть 8-ми контактный разъём, в нём проходит провод от замка к стартеру, его цвет розово-чёрный с одной стороны, переходящий в красный с другой стороны разъёма (штатные расцветки). Можешь проверить ещё двойной разъём с толстыми розовым и бело-чёрными проводами - розовый как раз питания замка зажигания.
я хотел его посмотреть, но по незнанию что откуда и куда не стал пробовать, а есть схема для этих разъемов чтобы понимать наглядно что куда и откуда приходит в эти отдельные разъемы? или это в доработки электриков и завод не предоставляет такие схемы?
Gennadiy K
На форуме 15 лет
Сообщения: 3064
Откуда: Рязань
Авто: Приора-хэтч 2013г
bursanek писал(а):хотел его посмотреть, но по незнанию что откуда и куда не стал пробовать, а есть схема для этих разъемов чтобы понимать наглядно что куда и откуда приходит в эти отдельные разъемы?
Есть электросхемы автомобиля, по ним можно понять что куда и откуда.
Я пользуюсь схемами с чипдиагноста.
http://www.chipdiagnost.narod.ru/info-sxema1.html
На первой схеме этот разъём под цифрой 4, на второй схеме другая часть этого же разъёма под цифрой 5.
Номер на проводе указывает адресат (т.е. куда идёт).
Aleksashka_522
На форуме 13 лет
Сообщения: 25
Откуда: Таганрог
Авто: ВАЗ 2111 2002 г.в. 1,5 8 кл
Дабы не создавать новую тему спрошу тут. Очень странно начали работать поворотники. Правые работают штатно, а вот в левых стали отключаться задний и передний на крыле. Оставшийся рабочий передний поворотник начинает судорожно моргать. Легким постукиванием по крышке блока или открытием крышки проблема решается на пару тройку включений. Поставил новое реле - толку ноль. Открутил блок проверил все разьемы - опять ничего. С открытой крышкой все работает, стоит закрыть - пара включений и 2 из 3 не работают. Куда рыть?
bursanek
На форуме 12 лет
Сообщения: 49
Откуда: Санкт-ПЕТЕРБУРГ
Авто: 21103 1.5 16v 2003 январь 5.1
[quote="Gennadiy K"]
блокировочное реле есть но оно оказалось только на зажигание которое работает, проблема оказалась в колодке с 8 разъемами где клемма красного провода вылезла! именно она спасибо!
Gennadiy K
На форуме 15 лет
Сообщения: 3064
Откуда: Рязань
Авто: Приора-хэтч 2013г
Aleksashka_522 писал(а):стали отключаться задний и передний на крыле. Оставшийся рабочий передний поворотник начинает судорожно моргать. Легким постукиванием по крышке блока или открытием крышки проблема решается
Если считаешь, что проблема скорее всего в салоне и кулаком ремонтируется, то найди в полости монтажного блока слева самый большой разъём, он 21-контактный. Обрати внимание на голубой с чёрной полосой провод - это провод по которому идёт напруга на задний и боковой поворотник.
Может в разъёме плохой контакт, может надломилось чо ...
Aleksashka_522
На форуме 13 лет
Сообщения: 25
Откуда: Таганрог
Авто: ВАЗ 2111 2002 г.в. 1,5 8 кл
[/quote]Если считаешь, что проблема скорее всего в салоне и кулаком ремонтируется, то найди в полости монтажного блока слева самый большой разъём, он 21-контактный. Обрати внимание на голубой с чёрной полосой провод - это провод по которому идёт напруга на задний и боковой поворотник.
Может в разъёме плохой контакт, может надломилось чо ...[/quote]
Как ни странно это звучит, но я при свете фонарика не нашел такой провод. Я отсоединил этот большой разьем, посмотрел контакты (вроде все в норме) и поставил все обратно. Сегодня доехал до работы нормально. Попутно возник вопрос : если отвернуть 4 винта на блоке до его внутренностей можно добраться?
Gennadiy K
На форуме 15 лет
Сообщения: 3064
Откуда: Рязань
Авто: Приора-хэтч 2013г
Aleksashka_522 писал(а):при свете фонарика не нашел такой провод. Я отсоединил этот большой разьем, посмотрел контакты (вроде все в норме) и поставил все обратно. Сегодня доехал до работы нормально. Попутно возник вопрос : если отвернуть 4 винта на блоке до его внутренностей можно добраться?
Ты не внимательно читал мой предыдущий пост и осматривал не тот разъём, поэтому и голубой с чёрным провод не нашёл.
Gennadiy K писал(а):в полости монтажного блока слева самый большой разъём, он 21-контактный.
Имел ввиду, что этот разъём не воткнут монтажном блоке, а лежит в том отсеке за крышкой слева, за кнопкой багажника примерно, разъёмы болтаются в воздухе и соединяют один жгут с другим, монтажный блок откручивать не надо, просто открыть его и искать разъём слева, точнее уже не могу описать.
Aleksashka_522
На форуме 13 лет
Сообщения: 25
Откуда: Таганрог
Авто: ВАЗ 2111 2002 г.в. 1,5 8 кл
Gennadiy K писал(а):в полости монтажного блока слева самый большой разъём, он 21-контактный.
Имел ввиду, что этот разъём не воткнут монтажном блоке, а лежит в том отсеке за крышкой слева, за кнопкой багажника примерно, разъёмы болтаются в воздухе и соединяют один жгут с другим, монтажный блок откручивать не надо, просто открыть его и искать разъём слева, точнее уже не могу описать.[/quote]
Паррррдон, я сразу не вкурил

Теперь посмотрю более внимательно в полости блока. Спасибо за совет.
mihail197
На форуме 17 лет
Сообщения: 929
Откуда: Ростов-на-Дону
Авто: ВАЗ-2112, V-1.5 8кл., 2003 г.
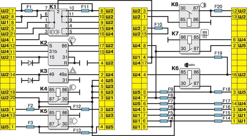
Монтажный блок 2110-3722.010-01. Восстановил в блоке горелые дорожки. Начинаю прозванивать плату по схемам выложенным в интернете (они все одинаковые), довольно многое не вызванивается. Ну к примеру по схеме Ш5-5 должна звониться с F9, F18 и Ш5-3. А у меня не звониться. И таких моментов дофигища. Потому я в ступоре. Или нужна схема именно для этого блока или надо самому эти цепи проложить?? Блоки ж бывают разных производителей. Может кто то оставил за собой право вносить изменения??
т808
На форуме 15 лет
Сообщения: 47919
Откуда: PODOLSK
Авто: ВАЗ 21093 МПСЗ
mihail197 писал(а):по схеме Ш5-5 должна звониться с F9, F18 и Ш5-3.
Верно,но при условии,что F9 и F18 воткнуты в свои гнезда.
mihail197 писал(а):А у меня не звониться.
Значит обрыв проводника между Ш5/5 и F9. Устраняй.
mihail197 писал(а):Блоки ж бывают разных производителей.
Но все они имеют одну и ту же схему разводки.
http://chipdiagnost.narod.ru/info-sxema4.html#loc5

mihail197
На форуме 17 лет
Сообщения: 929
Откуда: Ростов-на-Дону
Авто: ВАЗ-2112, V-1.5 8кл., 2003 г.
т808 писал(а):при условии,что F9 и F18 воткнуты в свои гнезда.
Воткнуты и на целостность проверены.
Устранить не проблема, но терзают сомнения вдруг в этом блоке так задумано и не принесет ли мое восстановление какого-нибудь коротыша или несъемного питания на что либо??
т808 писал(а):Но все они имеют одну и ту же схему разводки.
Раз так, значит надо забить на свои сомнения и сделать все в соответствии со схемой.
т808
На форуме 15 лет
Сообщения: 47919
Откуда: PODOLSK
Авто: ВАЗ 21093 МПСЗ
mihail197 писал(а):терзают сомнения вдруг в этом блоке так задумано и не принесет ли мое восстановление какого-нибудь коротыша или несъемного питания на что либо?
Ну так возьми схему и проверь ее правильность по интересующим тебя цепям.
mihail197 писал(а):надо забить на свои сомнения
Лучше вскрыть блок и лично убедиться
почему те самые Ш5/5 не доходят до преда F9.
Найти и устранить.
mihail197
На форуме 17 лет
Сообщения: 929
Откуда: Ростов-на-Дону
Авто: ВАЗ-2112, V-1.5 8кл., 2003 г.
т808
По ссылочке которую вы мне дали я усмотрел там комбинации приборов
2110 и 2115. И к ним одна схема. Значит эти приборки взаимозаменяемые получается? Ну единственно не будет второго жк окошка, которое только часы показывает и все? У меня от 2115 новая лежит, думаю поставить.
т808
На форуме 15 лет
Сообщения: 47919
Откуда: PODOLSK
Авто: ВАЗ 21093 МПСЗ
mihail197 писал(а):вы мне дали
У нас на ТЫ проще и дружнее общаться!
mihail197 писал(а):комбинации приборов
2110 и 2115. И к ним одна схема. Значит эти приборки взаимозаменяемые получается?
Взаимозаменяемые.
mihail197 писал(а):единственно не будет второго жк окошка
Да.
mihail197 писал(а):которое только часы показывает и все?
Не только часы.
В зависимости от исполнения приборки,на втором дисплее может отражаться:
1.Часы и температура воздуха за бортом
2.Часы,вольтметр и температура воздуха за бортом
mihail197
На форуме 17 лет
Сообщения: 929
Откуда: Ростов-на-Дону
Авто: ВАЗ-2112, V-1.5 8кл., 2003 г.
т808 писал(а):Ну так возьми схему и проверь ее правильность по интересующим тебя цепям.
Ну это другой подход. Или доверяя схеме сделать все разом на столе в соответствии с ней или бегать каждый раз к машине и проверять какая цепь заработала, а какая отпала!
т808 писал(а):Лучше вскрыть блок и лично убедиться
Так вскрывал. Восстановил. Дорожки все прозвонил. Все хорошо. Когда начал звонить плату по схеме, то наткнулся что цепи нет. Стал рассматривать плату и увидел , что никакие дорожки эту цепь не соединяют ни физически ни через реле или еще как... Плата так вытравлена. Задумано так. Почему и как я разбираться не стал. Я могу конечно и сам ее с чистого листа сделать, ну это уж слишком. Потому я и пришел к выводу , что скорее всего это импровизация производителя.
Потому остается одно правильное решение. Подключаться и
т808 писал(а):и проверь ее правильность по интересующим тебя цепям.
т808
На форуме 15 лет
Сообщения: 47919
Откуда: PODOLSK
Авто: ВАЗ 21093 МПСЗ
mihail197 писал(а):доверяя схеме сделать все разом на столе в соответствии с ней
Да - прозвонить каждую цепь на снятом ЧЯ.
Это самое оптимальное,тем более,что ЧЯ матрех гораздо проще например Самарских.
mihail197 писал(а):никакие дорожки эту цепь не соединяют ни физически ни через реле или еще как...
Это невозможно.
Без нее не будут работать дворники и обогрев стекла тоже.
NAUexx
Модератор
На форуме 16 лет
Сообщения: 16453
Откуда: Ивановская область
Авто: 2111, 1.5L 8V, Я5.1.1, 2004; 21043, 1993, была...
mihail197 писал(а):Стал рассматривать плату и увидел , что никакие дорожки эту цепь не соединяют ни физически ни через реле или еще как... Плата так вытравлена. Задумано так.
Плата многослойная?
mihail197
На форуме 17 лет
Сообщения: 929
Откуда: Ростов-на-Дону
Авто: ВАЗ-2112, V-1.5 8кл., 2003 г.
т808 писал(а):Это невозможно.
Без нее не будут работать дворники и обогрев стекла тоже.
Не. Я не за цепь которую в пример привел. Чето другое рассматривал..
т808 писал(а):Да - прозвонить каждую цепь на снятом ЧЯ.
Это самое оптимальное
Ну гулять, так гулять!! Раскидаю сегодня еще раз и распаяю все цепи согласно схеме!
Добавлено спустя 48 секунд:
NAUexx писал(а):Плата многослойная?
Нет. Просто двухсторонняя.
Добавлено спустя 3 минуты 43 секунды:
т808 писал(а):Не только часы.
О как! А я чето как эту фуську не крутил и не нажимал у меня только часы начинали моргать на установку времени. Как переключиться на вольтметр или температуру, не помнишь?
NAUexx
Модератор
На форуме 16 лет
Сообщения: 16453
Откуда: Ивановская область
Авто: 2111, 1.5L 8V, Я5.1.1, 2004; 21043, 1993, была...
mihail197 писал(а):Просто двухсторонняя.
Уф... Я уж напугался...
Тогда раз цепь есть на схеме электрической принципиальной, значит она обязана просматриваться/прозваниваться на плате.
ИНФОРМАЦИЯ ПО ИКОНКАМ И ВОЗМОЖНОСТЯМ
Вы не можете начинать темы
Вы не можете отвечать на сообщения
Вы не можете редактировать свои сообщения
Вы не можете удалять свои сообщения
Вы не можете голосовать в опросах
Вы можете вкладывать файлы
Вы можете скачивать файлы