Добрый день. 2115 2010г.в. 8v/m73 ителма
Проблема та же: 0341, показывал, как мультитроникс, так и диагностический софт.
Уже почти год, периодически вылетает данная ошибка, чаще всего при холодном запуске.
Не раз наблюдался "запоздалый "запуск движка, т.е. стартером крутил на ~3 сек. больше , чем обычно. После чего и вылетала 0341.
(На сколько хватает знаний по логике работы ЭСУД - Не было синхронизации между ДПКВ и ДПРВ, в результате происходил переход на попарно-параллельный или фазированный режим впрыска).
На улице -10

, самое время всё проверить! :
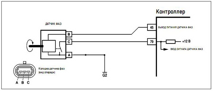
1. Обрыва цепи ДПРВ - не обнаружено
2. Uборт.сети и выход с датчика (~10.8 В) - на месте
Чтобы снять корпус датчика - выставил шкив РВ на метку, немного пошевелив, корпус снялся.
Далее обнаружил, что при выставлении шкива РВ к метке - "флажок" на самом РВ стоит не строго вертикально, полез дальше...
Фото №1
Решил проверить: в каком положении относительно метки на шкиве РВ срабатывает датчик:
Фото №2. За пол зуба до срабатывания ДПРВ (вернее его отключения

)
Фото №3. Датчик "сработал". Данному положению шкива РВ (как и самому РВ)соответствует, позиция шкива КВ, при которой ДПКВ уже попадает на отсутствующие зубья шкива.
Фото №4. Провернув шкив дальше - по часовой стрелке, найден момент "отключения" датчика.
Данному положению РВ (Фото№4) соответствует положение шкива КВ на следующем фото:
Фото №5.
Собственно мой вопрос такой:
Не поздно ли относительно шкива КВ(его положения, соотв. фото №5) появляется напряжение на выходе ДПРВ?