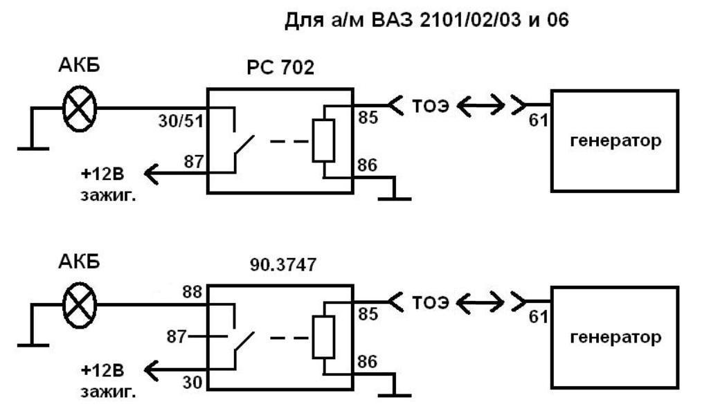
Так же вам понадобиться стандартное 4-х контактное автомобильное реле РС702 или 5-ти контактное реле 90.3747 и несколько кусков провода, желательно сечением не меньше 1 мм для РН и 0,75 для реле – см. фото 6. Так же будут нужны несколько автомобильных клемм «мама» и «папа», если будете обжимать их сами на концах проводов.
.
Принцип работы: при нагреве до какого то либо значения вольтаж сбрасывается в целях защиты самого генератора, а стоит он в непосредственной близости к "штанам", вот и греется сильно. В результате видим такое явление - пока едем на скорости свыше 30 км/ч идет охлаждение генератора и все красиво, в пробках же напряжение падает за счет нагрева термоэлемента защиты и РН уменьшает напряжение.
А если вот так сделать?
когда генератор работает с его выхода «61» идет повышенное напряжение 14 – 14,5В, которое раньше питало обмотку возбуждения.
на самарской ветке всё расписано
http://www.autolada.ru/viewtopic.php?t=268551
4.Переделать штатный РН, используя «таблетку» от заморского РН
А если вот так сделать?
Уважаемый pivinik, Вы это напряжение измеряли или это Ваше умозрительное заключение? Я измерял. Разницы практически никакой. Может быть сотые доли вольта. Вот только с выхода "61" у меня питается обмотка возбуждения.
Но "озаботился" я этим напряжением после того, как заметил, что подключенное мое реле контроля АКБ греется, хотя на улице было где-то -15!
Преимущество 37.3701 с "61" выходом против Г221 в том, что обмотка возбуждения генератора, при включённом зажигании, не потребляет 4А с АКБ. Кажется мелочь, но приятно.
Уважаемый pivinik, Вы это напряжение измеряли или это Ваше умозрительное заключение? Я измерял. Разницы практически никакой. Может быть сотые доли вольта. Вот только с выхода "61" у меня питается обмотка возбуждения.
А почему тогда в Г221 обмотка возбуждения генератора, при включённом зажигании, потребляет 4А с АКБ!?
У ВАЗ-2106 обмотка возбуждения через замок зажигания подключается к АКБ. Поэтому ток равен 4А. У 37.3701 обмотка возб. подключена к АКБ последовательно с лампочкой. Поэтому ток в обм. возбужд. ограничен сопротивлением лампочки. Всё это расписано в мурзилке. В.Д.
Мне интересно откуда взялась цифра именно 4А!?
Мне интересно откуда взялась цифра именно 4А!?
Ну, если уж быть до конца точным, то ток в обмотке возбуждения генератора носит импульсный характер.
Ну, если уж быть до конца точным, то ток в обмотке возбуждения генератора носит импульсный характер.
Вот поэтому на ВАЗ-21013 со штатной ситемой возбуждения генератора ранее ставил от замка зажигания диод на массу для уменьшения токов замыкания-размыкания.
Вот поэтому на ВАЗ-21013 со штатной ситемой возбуждения генератора ранее ставил от замка зажигания диод на массу для уменьшения токов замыкания-размыкания.

Интересно, Rezo, а как Вы измеряли ток во встроенном в генератор РН-14?
Мне интересно откуда взялась цифра именно 4А!? Я просто не проводил замеры потребляемых токов обмотки возбуждения ни на Г-221, ни на 37.3701
ток в обмотке возбуждения генератора носит импульсный характер. В зависимости от нагрузки меняется длительность токового импульса и скважность (пауза) между импульсами тока. 4А в обмотке бывает тогда, когда двигатель ВАЗ-2106 заглушен, а зажигание включено.
при известном сопротивлении обмотки возбуждения для Г-221-222 равным 4,5 Ом.
Поэтому возможна ситуация, когда РН выйдет из строя, а зажигание останется включенным, пусть даже на 5-10-20 минут, пока человек разбирается в чём дело, или элементарно заглох двигатель и так далее....
В этом случае на обмотку возбуждения будет приложено постоянное напряжение и будем иметь не в импульсе, а постоянную величину тока на обмотке порядка 2,5 Ампер!
Дальше думаю всё понятно.....
Rezo писал(а):
при известном сопротивлении обмотки возбуждения для Г-221-222 равным 4,5 Ом.
А откуда это стало известно!? Я эти цифры не нашел и сам не мерял...
Эти цифры знаю я, из документации по параметрам завода-изготовителя данного генератора....
Малец добавлю - у меня стоит реле зажигания по аналогии с ВАЗ 2105. А вот в схеме 121.3702, приведенной тут:
А нет у вас данных тогда по генератору 37.3701!? Там какое сопротивление обмотки возбуждения?
Например РН 67.3702-01 Калужского производства с 3 вариантами напряжений.
Как бы свое отрабатывает.
Я измерял. Разницы между "61" и "30" практически никакой. Может быть сотые доли вольта.
Меня результат порадовал!
Немного уточнений...
Например РН 67.3702-01 Калужского производства с 3 вариантами напряжений.
? Для улучшения контакта с массой есть куча паст и прочей хрени.
Вы не можете начинать темы
Вы не можете отвечать на сообщения
Вы не можете редактировать свои сообщения
Вы не можете удалять свои сообщения
Вы не можете голосовать в опросах
Вы можете вкладывать файлы
Вы можете скачивать файлы


