NAUexx
Но если биполярный транзистор поменять на полевик то будет же лучше? Грелка самого себя регулятором исчезнет и средневзвешенное напряжение тов. геннадий будет давать выше.
P.S. Да, я не понимаю как осуществляется регуляция посредством on\off без полуоткрытого состояния и без ШИМ.
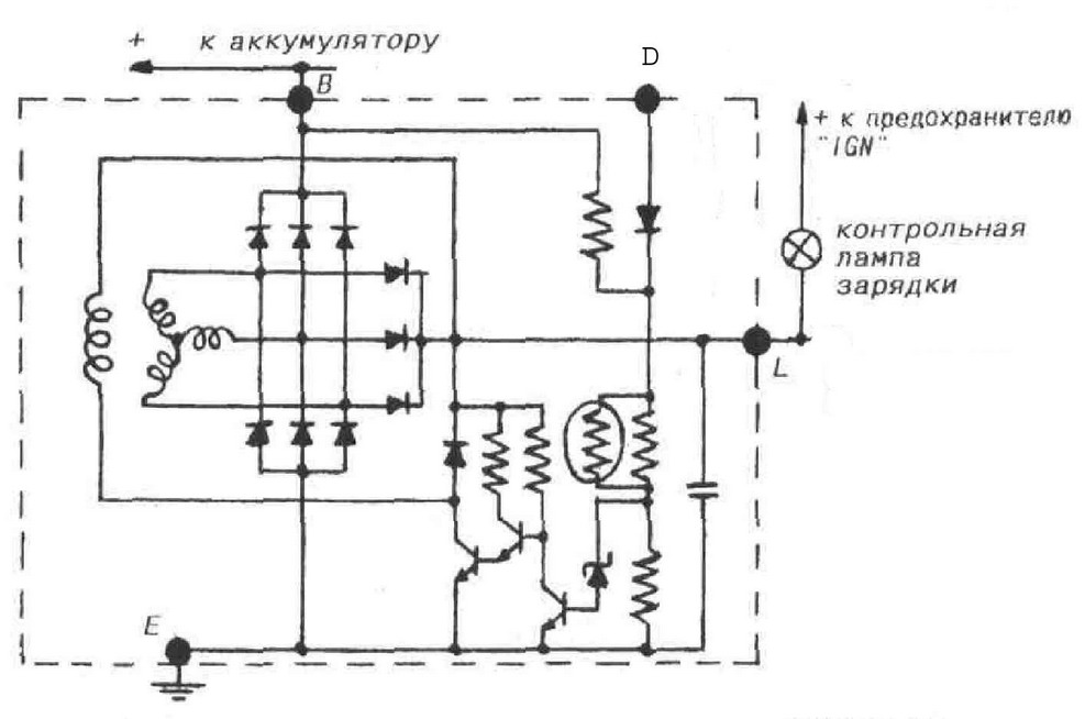
МаксимS РН в генераторе работает по постоянному току. "Переменка" тут вообще не при делах. 100 или300гц - без разницы.
Так картина маслом. 20А нагрузка, стабильные 14В и напряжение на ОВ около 3В. (на 2000 об). Естествено, это среднеквадратичное значение напряжения.

МаксимS РН в генераторе работает по постоянному току. "Переменка" тут вообще не при делах. 100 или300гц - без разницы.
На счет составного транзистора в управлении КТ829
Но если биполярный транзистор поменять на полевик то будет же лучше? Грелка самого себя регулятором исчезнет и средневзвешенное напряжение тов. геннадий будет давать выше.
не наводите, тень на плетень. Не используется "переменка" для стабилизации напряжения с генератора. Идет выпрямление трехфазного тока. Согласен, пульсации будут. Но они не делают ни какой погоды.
.
14% пульсации?
От незнания гнлубины темы много чего еще "не используется" и "не влияет" 
14% пульсации?
От незнания гнлубины темы много чего еще "не используется" и "не влияет"
откуда 14%? По графикам пульсации по сотым долям вольта
.
quote="VOLDEMAR_"
МаксимS ты же сам дал ссылку, на работу РН. Я эту работу РН еще лет 30назад досконально изучил, для себя. В свободное от работы время.
.
МаксимS я в дебри не хочу лезть. Надоело по жизни это делать (всю жизнь занимался ремонтом сложной техники). Решил отойти от этих дел, и заняться более простым, но то же интересным делом.
На раскачку силового ключа, однозначно - надо ставить что то помощнее. Планарный тр-р не выдерживает. Уже штук пять спалил.

P.S. Предчувствие не обмануло - на заднем плане уже виден транзистор и радиатор "площадью в четверть генератора"
SMD полевик (типа 3055 или лучше) - отлично выдерживает, без нагрева. Даже для 8А обмоток возбуждения. Главное - правильно им управлять!
Выделяю в сообщении нужную высказанную мысль - цитирую и в в окне сообщений появляется полный пост сообщения.
или надо вырезать? Другого пути нет?

Травил плату,собирал РН.

Ludvig, гораздо проще и быстрей будет купить любого "кота в мешке", например 611.3702-01 (стоит копейки) и сделать из него то, что тебе нужно. Инструкция как это сделать тут уже есть. 
Вот скажи, нафига ты это делаешь?
Весьма странно слышать такой вопрос. Ответ, несколько ренее, сам же и изложил: МаксимS, да всё Вы все правильно мыслите... и про РНы Н/О, и про выносные "измерители"...
Ток у меня другие "тараканы".
red_rata писал(а):
А почему бы их не вывести, твоих "тараканов"?
Ещё раз: не надо выводить моих тараканов!
Мне по приколу сидеть и ковыряться с этим РНом и смотреть, что же из этого выйдет... или не выйдет.
Тот, что у меня щас стоИт меня всем устраивает, а эта возня с Энергомашем - скорее хобби, чем необходимость. К тому же, мои условия ты и сам знаешь, острой необходимости в работах по улучшайзингу я не испытываю. Тут скорее любопытство: "А чо же таки можно "выжать" из РНа С/О?"
это самый большой косяк, который производители не могут обойти. Дорого, и неоправданное для массового производства усложнение.
Или Белорусские РН - тоже целая серия
9111.3702
Травил плату,собирал РН.
Вы не можете начинать темы
Вы не можете отвечать на сообщения
Вы не можете редактировать свои сообщения
Вы не можете удалять свои сообщения
Вы не можете голосовать в опросах
Вы можете вкладывать файлы
Вы можете скачивать файлы


