Алексей-холодильщик
На форуме 9 лет
Сообщения: 10
Откуда: Краснодарский край Староминский р-н
Авто: ниссан и ваз
Доброго времени суток уважаемые форумчане.
Собираю некую самоделку, типа минитрактора, на которой установлен двигатель ВАЗ 2108 инжекторный 1500 см3 с кпп.
Двигатель был откапитален, проводку(косу)приобрёл новую.
Накинуть на двигатель и подключить проводку не составит труда, а вот
какую взять приборку, где выход питания на бензонасос и куда подключить само питание - это для меня пока ВОПРОС.
Добавлено спустя 18 минут 36 секунд:
Не понимаю как вставить фото, помогите, плиз
d.dmitry
На форуме 17 лет
Сообщения: 4306
Откуда: Краснодар
Авто: 21074i 2006г, 11194-была, поло-седан-ат был. Шевроле Кобальт-мт
Алексей-холодильщик
На форуме 9 лет
Сообщения: 10
Откуда: Краснодарский край Староминский р-н
Авто: ниссан и ваз
вот фото проводки
Добавлено спустя 13 минут 16 секунд:
Откуда вести счёт по ножкам, эбу Я 5.1.1.......71
| 20170226_131019.jpg |
| Описание: |
|
| Размер файла: |
164.55 KB |
| Просмотрено: |
1512 раз(а) |

|
| 20170226_131030.jpg |
| Описание: |
|
| Размер файла: |
192.33 KB |
| Просмотрено: |
673 раз(а) |

|
| 20170226_132839.jpg |
| Описание: |
|
| Размер файла: |
164.5 KB |
| Просмотрено: |
525 раз(а) |

|
d.dmitry
На форуме 17 лет
Сообщения: 4306
Откуда: Краснодар
Авто: 21074i 2006г, 11194-была, поло-седан-ат был. Шевроле Кобальт-мт
Алексей-холодильщик На разьёме эбу с твоего фото, поищи номерки, на краях рядов, по ним и ориентируйся.
Алексей-холодильщик
На форуме 9 лет
Сообщения: 10
Откуда: Краснодарский край Староминский р-н
Авто: ниссан и ваз
d.dmitry
с выходами разобрался, а вот со входами - не очень
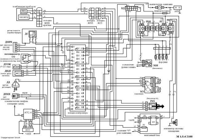
у меня на косе есть номер: 21093 - 3724026-60
помоги найти к этой проводке эл схему
остались вопросы по подаче напряжения с замка зажигания
d.dmitry
На форуме 17 лет
Сообщения: 4306
Откуда: Краснодар
Авто: 21074i 2006г, 11194-была, поло-седан-ат был. Шевроле Кобальт-мт
Алексей-холодильщик 4я от верха схема, я думаю
http://chipdiagnost.narod.ru/info-sxm3.html#loc4
По питанию эбу,
18 неотключаемое +12
27 клемма15 замка зажигания(+12в)
37 питание после главного реле(+12в)(от +12 провода форсунок)(для диагностики питания с главного реле, вроде)
Массовые(-) провода соединить доп проводом скруткой с корпусом машины, штуки 3 можно чтоб надёжно держались и не отвалились.
Алексей-холодильщик
На форуме 9 лет
Сообщения: 10
Откуда: Краснодарский край Староминский р-н
Авто: ниссан и ваз
d.dmitry
Спасибо огромное . буду пока ковыряться
Добавлено спустя 18 минут 56 секунд:
Вот эта схема вроде мне подходит, но я не уверен
| проводка.jpg |
| Описание: |
|
| Размер файла: |
83.28 KB |
| Просмотрено: |
1527 раз(а) |

|
NAUexx
Модератор
На форуме 17 лет
Сообщения: 16950
Откуда: Ивановская область
Авто: 2111, 1.5L 8V, Я5.1.1, 2004; 21043, 1993, была...
Алексей-холодильщик
Вобщем да, схема ЭСУД правильная, подойдёт... с одной оговоркой...
На приведённой схеме резонансный (с одним проводом) ДД, их щас уже днём с огнём не найдёшь, а если и найдёшь, то ценник на него будет конский.
К тому же, раз у тебя Я5.1.1...71, то он уж точно под широкополосный ДД (т.е. два провода).
Вобщем то, разницы то особой нет. И в той, и в другой схеме сигнальный (голубой) провод с ДД приходит на 9-ый пин ЭБУ, только вот в "Январской" схеме есть ещё второй провод в разъёме ДД, который в итоге должен прийти на 30-ый (масса всех датчиков) пин в ЭБУ. И, если уж чтоб было совсем всё по фен-шую, то экран этого самого провода с ДД на стороне ЭБУ, т.е. на "приёмной" стороне (ДД в данной паре ДД-ЭБУ - "передатчик") нужно соединить с массой.
Алексей-холодильщик
На форуме 9 лет
Сообщения: 10
Откуда: Краснодарский край Староминский р-н
Авто: ниссан и ваз
У меня есть новая проводка, заводская, и ДД с двумя проводами и экраном....
Схема нарисованая она и нужна, чтоб легче ориентироваться с проводами...
раньше никогда этим не занимался, а специалиста поблизости пока не встретил((
и ещё вопрос: что такое АПС-4 и нафига он?
d.dmitry
На форуме 17 лет
Сообщения: 4306
Откуда: Краснодар
Авто: 21074i 2006г, 11194-была, поло-седан-ат был. Шевроле Кобальт-мт
Алексей-холодильщик писал(а):
и ещё вопрос: что такое АПС-4 и нафига он?
Автомобильная противоугонная система, в мозги через неё ключи прописать можно, раньше с ключами брелочек был который к мигающей лампочке подносили перед заводкой двигателя.
Тебе не нужна.
Алексей-холодильщик
На форуме 9 лет
Сообщения: 10
Откуда: Краснодарский край Староминский р-н
Авто: ниссан и ваз
d.dmitry писал(а):Тебе не нужна.
разъём который идёт на апс4 никуда не подключать и всё работать будет?
NAUexx
Модератор
На форуме 17 лет
Сообщения: 16950
Откуда: Ивановская область
Авто: 2111, 1.5L 8V, Я5.1.1, 2004; 21043, 1993, была...
Алексей-холодильщик
На форуме 9 лет
Сообщения: 10
Откуда: Краснодарский край Староминский р-н
Авто: ниссан и ваз
Всем привет, уважаемые форумчане!У меня есть тахометр с ваз2106 - можно ли его как то подключить в работу в моём случае......напомню : - У меня самодельный минитрактор с двигателем ваз 2108i 1500см3, контроллер Я5.1.1....71
Понимаю, что с контроллера наверное сигнал для показания тахометра не возьмёшь, может всё же есть какие нибудь варианты? или же есть, какие другие варианты других тахометров? Родную заводскую панель приборов не нашёл, а покупать новую.....дороговато стОит. Буду признателен за все предложенные варианты и советы.....помогите, плиз
Спиди Гоньсчег
На форуме 11 лет
Сообщения: 1928
Откуда: Оренбург
Авто: Румын с ромбиком
Алексей-холодильщик
На форуме 9 лет
Сообщения: 10
Откуда: Краснодарский край Староминский р-н
Авто: ниссан и ваз
Спасибо.....деньги они всегда были расходным материалом, теперь знаю что искать
А что можно посоветовать из готовых "китайских" тахометров , которые типа предназначены для установки на малолитражные авто с отсутствующим штатным тахометром?
Спиди Гоньсчег
На форуме 11 лет
Сообщения: 1928
Откуда: Оренбург
Авто: Румын с ромбиком
Алексей-холодильщик
нижние ссылки глянь . там вроде смогли адаптировать
щас , по ходу поиска нашлись.
Алексей-холодильщик
На форуме 9 лет
Сообщения: 10
Откуда: Краснодарский край Староминский р-н
Авто: ниссан и ваз
Спиди Гоньсчег писал(а):Алексей-холодильщик
нижние ссылки глянь . там вроде смогли адаптировать
щас , по ходу поиска нашлись.
Увидел, спс
d.dmitry
На форуме 17 лет
Сообщения: 4306
Откуда: Краснодар
Авто: 21074i 2006г, 11194-была, поло-седан-ат был. Шевроле Кобальт-мт
Алексей-холодильщик писал(а):Всем привет, уважаемые форумчане!У меня есть тахометр с ваз2106 - можно ли его как то подключить в работу в моём случае......напомню : - У меня самодельный минитрактор с двигателем ваз 2108i 1500см3, контроллер Я5.1.1....71
Понимаю, что с контроллера наверное сигнал для показания тахометра не возьмёшь, может всё же есть какие нибудь варианты? или же есть, какие другие варианты других тахометров? Родную заводскую панель приборов не нашёл, а покупать новую.....дороговато стОит. Буду признателен за все предложенные варианты и советы.....помогите, плиз
Тут про контакты тахометра
http://avtovx.ru/elektrooborudovanie/tahometr-vaz-2106-133/
Тут про подключение тахометра к январь7.2, через диоды - дёшево
https://www.drive2.ru/l/454618372345169176
Он к минусам управляющим подключился, но там главно при работе через диоды + идёт, важно направление диодов как у него сделать. (но это не по твоей катушке вариант)
Да и резистор(типа защита) у соединения к проводу катушки я бы поставил, на 1кОм пойдёт.
У твоего эбу идут 12вольт импульсы на форсунки, тоже минусовые. Тебе к 1 проводу форсунок присоединится надо как на драйве в схеме. Одним проводом(резистор возле подсоединения к импульсам форсунки), такая цепь: резистор-диод-тахометр.
На твоём эбу, все 4 форсунки одновременно открываются.
Алексей-холодильщик
На форуме 9 лет
Сообщения: 10
Откуда: Краснодарский край Староминский р-н
Авто: ниссан и ваз
d.dmitry писал(а):У твоего эбу идут 12вольт импульсы на форсунки, тоже минусовые. Тебе к 1 проводу форсунок присоединится надо как на драйве в схеме. Одним проводом(резистор возле подсоединения к импульсам форсунки), такая цепь: резистор-диод-тахометр.
На твоём эбу, все 4 форсунки одновременно открываются
Марку резистора и диода подсказать можещь?
К любой форсунке мона подключиться? На её работе это никак не отразится,
типа хуже-медленнеё работать будет?
d.dmitry
На форуме 17 лет
Сообщения: 4306
Откуда: Краснодар
Авто: 21074i 2006г, 11194-была, поло-седан-ат был. Шевроле Кобальт-мт
Алексей-холодильщик К любой форсунке на импульсный провод. Они у 5.1.1 возле эбу скручены в кучу всёравно.
Диод быстродействующий
https://m.chipdip.ru/product/sf22-2a-75a
https://m.chipdip.ru/product/her203
Резистор 2ватт
https://m.chipdip.ru/product0/32249
Мне и самому интересно на каком принципе он получил импульсы +, с минусовых импульсных проводов. Либо это катушка в обратку попёрдывает плюсом, при исчезании минуса управляющего.
Либо это из варианта "возьми батарейку 1.5вольт например, соедини её +и- проводом(10см), и определи где на этом проводе будет граница +и-"))
ИНФОРМАЦИЯ ПО ИКОНКАМ И ВОЗМОЖНОСТЯМ
Вы не можете начинать темы
Вы не можете отвечать на сообщения
Вы не можете редактировать свои сообщения
Вы не можете удалять свои сообщения
Вы не можете голосовать в опросах
Вы можете вкладывать файлы
Вы можете скачивать файлы