Страница 3 из 11

Нужны ли дискам центрирующие кольца ?

  • 1.Да нужны! Без них колеса криво встают на ступицу.[ 4 ]30%
  • 2.Нет! Всегда без них обходился и нигде ничего не било.[ 9 ]69%
Всего голосов: 13
х123ас
kazak1102 писал(а):


Шпильку ввернул, потом колесо, пару болтов, шпильку долой...


facepalm Да ещё шпильку подходящую держать под рукой...
nikolja 1201 писал(а):


Вот именно - выборка, а не отверстие.


Есть и с отверстиями, у меня Слики были такие.
nikolja 1201 писал(а):

Alexandr008 писал(а):
Если диаметр отверстия под ступицу = диаметру ступицы, то куда и какие центровочные кольца совать?

Не видел ни разу.


Опять же, Слики - там и ЦО как надо, и отверстия под направляющие.

Добавлено спустя 2 минуты 58 секунд:

Alexandr008 писал(а):

4х98 диски разве ещё с каким то диаметром продают?


Продают, и я бы сказал их большинство, даже ВСМПО у меня были с кольцами, что на 13шке, что на 12шке, разные модели, но ЦО бОльшего размера.
nikolja 1201
х123ас писал(а):

Опять же, Слики - там и ЦО как надо, и отверстия под направляющие.


Да, я не имел в виду лучшее, что может быть. Drinks or Beer
Далеко не каждый себе позволит такие диски на ВАЗ.
Alexandr008
Garik36 писал(а):

Вроде можно найти в инет-магазах для иномарок.
_________________


Да можно конечно.
Просто человек пишет, что "вазовские" диски не видел facepalm

Добавлено спустя 1 минуту:

х123ас писал(а):

я бы сказал их большинство


Я выше ссылку на "большинство" привёл.
х123ас
Alexandr008 писал(а):


Я выше ссылку на "большинство" привёл.


Вот что ты споришь? У меня сейчас диски на восьмёрке с кольцами (справедливости ради, они под двойную разболтовку), на других машинах были с кольцами, при чём это ВСМПО, как уже писал выше, у друга на 2х машинах с кольцами (ВСМПО и китай), и предыдущие диски тоже были с ними, и ещё куча машин которые мне приходилось ковырять, были с проставочными кольцами. Ну привёл ты ссылку на магаз, который сориентировался на ВАЗы, подобрав диски именно с таким как нужно ЦО (кстати это ещё не факт, могут продавать с кольцами, а писать нужное ЦО, и скорей всего так и есть). Вот держи ссылку с кучей дисков, с ЦО отличным от 58,1: https://www.e-katalog.ru/ek-list.php?presets_=36499%2C11367%2C11387%2C11388%2C11390%2C16470%2C11373&katalog_=338&pf_=1&order_=pop&save_podbor_=1
nikolja 1201
Alexandr008 писал(а):

"вазовские" диски не видел


Для ВАЗа. Это не одно и то же. А родные легкосплавные ВАЗовские - это просто пластилин. facepalm
kazak1102
nikolja 1201 писал(а):

А родные легкосплавные ВАЗовские - это просто пластилин.


Ну да... Свои уже 2 раза катал... Ещё на раз есть... supercool
Дальше токо штампы... hehe
nikolja 1201
kazak1102 писал(а):

Дальше токо штампы...


Кстати. С возрастом понимаешь, что это идеальный вариант. И резина целая, и ходовая, в с случае чего. Прокатал, покрасил и ездий дальше.
TDream
kazak1102 писал(а):

Дальше токо штампы...


Дааа... Стареем... hehe
Аналогичное принял решение после пойманной ямы на трассе, выкинутого колпака и прокатанного диска. Это уже на Стёпе. Pardon
Alexandr008
х123ас писал(а):


Вот что ты споришь?


С чем я спорю? facepalm я разве говорю, что кроме вазовский дырки ничего нет.?? Есть и то и то, и с вазовской дыркой дисков продаётся больше. Магаз тот на ваз не ориентирован, а продаёт все подряд.
И я выше приводил пример, что лично сам покупал 3 комплекта литья на ваз (и к слову, один комплект штампов) и все они были с ЦО 58.5. Соответственно ни каких я колец не ставил и вибраций у меня не было.
А спорю я лишь вот с этим утверждением
nikolja 1201 писал(а):

Не оригинал никогда не отцентрируется одними болтами без биения


Потому как полно неоригинала со штатным для ваза ЦО
nikolja 1201
Alexandr008 писал(а):

Потому как полно неоригинала со штатным для ваза ЦО


Если это соответствует действительности то , конечно, спорить не буду. Но, к сожалению, даже ВАЗовские ступицы далеки до идеального размера.
Моаи
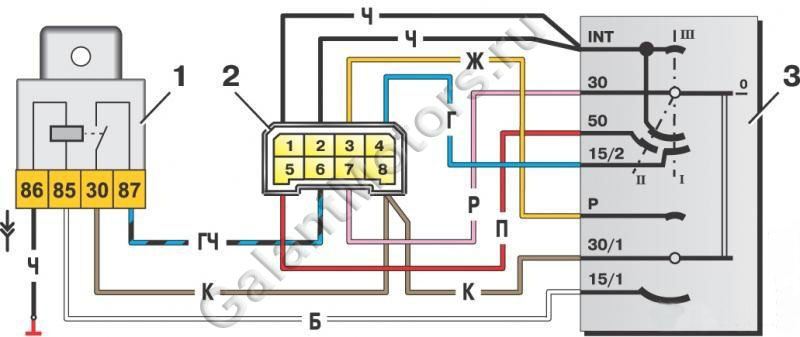
подскажите как из замка нового образца, (без реле) сделать старого образца (с реле) Чет смотрю и въехать не могу. У нового чет сильно не хватает положений. Такое впечатление что все перемычками на колодке. У одного уходит, у второго приходит. Чет как-то сыкотно методом тыка проверять.

Распиновка замка зажигания ВАЗ-2109 нового образца:

1 приходит +12В постоянно
2 приходит +12В постоянно
3 приходит +12В после включения зажигания (контакт 15), при старте II не пропадает;
4 приходит +12В после включения зажигания (контакт 15/2), пропадает при старте (II);
5 положение I, уходит +12В на стартер (контакт 50);
6 приходит +12В после включения зажигания (контакт 15), при старте II не пропадает;
7 приходит +12В от АКБ (контакт 30);
8 приходит +12В постоянно.

Распиновка замка зажигания ВАЗ-2109 с разгрузочным реле:

1 приходит +12В вположении I, II, III (стоянка)
2 приходит +12В вположении I, II, III (стоянка)
3 приходит +12В вположении III (стоянка)
4 положение I,уходит +12В после включения зажигания (контакт 15/2), пропадает при старте (II);
5 положение I, уходит +12В на стартер (контакт 50);
6 положение I, уходит +12В после включения зажигания (контакт 15), при старте II не пропадает;
7 приходит +12В от АКБ (контакт 30);
8 приходит +12В постоянно.

2109_zamok_zajiganiya_new.jpg
Описание:
Размер файла: 83.25 KB
Просмотрено: 97 раз(а)

2109_zamok_zajiganiya_new.jpg
2109_zamok_zajiganiya_rele.jpg
Описание:
Размер файла: 53.91 KB
Просмотрено: 111 раз(а)

2109_zamok_zajiganiya_rele.jpg
nikolja 1201
Моаи писал(а):

Чет как-то сыкотно методом тыка проверять.


Найди схему замка 2110 с реле зажигания (разгрузочным) и по нему соедини.
т808
nikolja 1201 писал(а):

схему замка 2110 с реле зажигания (разгрузочным)


На десятках никогда не ставились замки зажигания с разгрузочным реле!
Эта функция у них возложена на К6 в ЧЯ.
nikolja 1201
т808 писал(а):

Эта функция у них возложена на К6 в ЧЯ.


От того где находится само реле его функция не меняется...
т808
nikolja 1201 писал(а):

От того где находится само реле его функция не меняется..


Еще как меняется!
От твоего ответа Моаи ни холодно,ни горячо - он не об этом спрашивал. nea
Моаи писал(а):

как из замка нового образца, (без реле) сделать старого образца (с реле)


Насколько хорошо в схемах разбираешься ?

Последний раз редактировалось: т808 (26 Апреля 2021 13:57), всего редактировалось 1 раз
nikolja 1201
т808 писал(а):

От твоего ответа Моаи ни холодно,ни горячо - он не об этом спрашивал.


Некогда мне рисовать схему, как втулить реле.

Добавлено спустя 51 секунду:

Думаю при желании можно найти готовые варианты.
торантино
nikolja 1201 писал(а):

Это образное выражение. Ковка - литье под давлением.


Смотрел ролик про ковку. Отличие от литья в том что паковка разогревается и куётся. Тем самым меняется структура сплава на более твёрдую.
nikolja 1201 писал(а):

Не бывает у легкосплавных дисков отверстий под направляющие.


Редко. В основном широкие проймы под направляйки.
т808 писал(а):

они болтами прекрасно центрируются.


Будет на 110 бить в руль.
Alexandr008 писал(а):

Если диаметр отверстия под ступицу = диаметру ступицы, то куда и какие центровочные кольца совать?


Это очень хорошо,но не всегда бывает.
kazak1102 писал(а):

Я ВАЗ не разгонял до таких скоростей


Тогда об чём речь?
Alexandr008 писал(а):

Я выше ссылку на "большинство" привёл.


Что в магазинах продаётся-в большинстве будут болтаться на пояске ступицы пол миллиметра ,не меньше. Этого достаточно что бы колесо било. Родные вазовские штампы не бъют. А их клонов,сейчас куча и садятся они все с болтанкой. Так как универсальные,как чехлы,на все машины.
т808
торантино писал(а):

Будет на 110 бить в руль.


За последние 30 лет на это ни разу никто не пожаловался. supercool
Сергей050582
ваз 21099 затекает вода в багажник . левая половина под ковриком и ковролином постоянно сырое.. (иногда даже где запаска стоит лужа )летом иногда просушиваю если есть время и погода позволяет . просмотрел заднее стекло особого мусора между кузовом и резинкой не заметил.. откуда вода туда попадает и что можно сделать?
как не странно шумка сырая столько лет но пол вполне хорош лишь немного есть ржавчины на швах..
торантино
Сергей050582 писал(а):

откуда вода туда попадает и что можно сделать?


Уплотнение фонарей проверь.
Сергей050582
торантино писал(а):


т808 писал(а):
они болтами прекрасно центрируются.


Не согласен! Диск центруется по по ступице болты лишь его прижимают. У самого есть комплект литья у которых диаметр заметно больше ступицы! Ездить на них просто не реально! Так и валяются много лет ....и продать не возможно! Такие косяки не кому не нужны..

Добавлено спустя 3 минуты 28 секунд:

торантино писал(а):

Уплотнение фонарей проверь.


Маловероятно! Так после сильного дождя вода аж на коврике резином стоит!!Причем именно со стороны заднего сиденья!!!!Либо там не одно место откуда она затекает
торантино
Сергей050582 писал(а):

Ездить на них просто не реально! Так и валяются много лет .


Подложи полоски жести по толщине так, что бы диск сел плотно на поясок
ступицы. Снимался с пояска от слабого пинка или удара кулаком. Не захочешь продавать.
Сергей050582 писал(а):

Либо там не одно место откуда она затекает


Тогда из под уплотнителя сверху. Сунь лист бумаги под резинку и захлопни дверь. Либо натри уплотнитель мелом и посмотри отпечаток на двери. Или залезь в багажник и пусть кто нибудь льёт сверху.
Сергей050582
торантино писал(а):

. Или залезь в багажник и пусть кто нибудь льёт сверху.


Не не .. я боюсь тесных замкнутых пространств pst
kazak1102
Сергей050582 писал(а):

болты лишь его прижимают.


А на кой чёрт они тогда конусом...??? supercool
торантино писал(а):


kazak1102 писал(а):
Я ВАЗ не разгонял до таких скоростей

Тогда об чём речь?


А ты не выдёргивай фразу... Там было ещё про то, что я не разгонял на неправильных дисках, потому как у меня правильные...
Так вот... Нифига... Сегодня обратил на это внимание, диск на ступице при монтаже легко болтается вверх/вниз на пару мм, следовательно центровочное отверстие больше, чем должно быть... И ещё момент из этого следующий... Так как я на этих дисках где-то с 2008-го года, и проблем не возникало на любых скоростях (я был любитель отжечь, и мои штрафы только за превышение) болтами диски центрируются однозначно, и до того качественно, что я даже не знал, что у меня в диццках дыры большие... hehe
NWorker93
Всем привет. Есть Вася-Диагност. Покупался и успешно использовался для VW. Можно ли с помощью него почитать чепырку 2114?
Новая тема Ответить на тему
Показать сообщения:
Страница 3 из 11
Перейти:
ИНФОРМАЦИЯ ПО ИКОНКАМ И ВОЗМОЖНОСТЯМ

Вы не можете начинать темы
Вы не можете отвечать на сообщения
Вы не можете редактировать свои сообщения
Вы не можете удалять свои сообщения
Вы не можете голосовать в опросах
Вы можете вкладывать файлы
Вы можете скачивать файлы