чисто реактивная нагрузка
Вы, наверное, хотели сказать, что лампа - чисто активная нагрузка?
естественно
в итоге на меандре 20 кГц и импульсных токах порядка 10 А индуктивная составляющая тока через лампу плюс провода длиной в пару метров будет такая, что на лампе будет не прямоугольник, а жуткий звон!
- и все это будет пролезать через паразитные емкости в параллельно проложенные провода в жгуте, идущем к фарам.
Проще, надёжнее, быстрее и функциональнее сделать так
ori,
gleb_l прав. Можно сделать 100-200 герц ШИМ и не париться о помехах.
ИМХО - для тех, кто решит делать дневной свет в полнакала, ШИМ правильнее и логичнее. Поначалу может показаться сложнее, но зато менее колхозно.
) и не сразу втыкаю в то, что вы обсуждаете. Гугл, конечно спасает. Просто я считаю, что для такой фигни заморачиваться с ШИМ и тем более микроконтроллерами не стоит того. Хотя, готовую схему было бы интересно посмотреть.
Просто я считаю, что для такой фигни заморачиваться с ШИМ и тем более микроконтроллерами не стоит того
НАХ всякие там контроллеры
Первые пробы ШИМ регулировки яркости ДС на авто.
Как и планировал, купил Mosfet с p-каналом, собрал навесным монтажом ШИМ, пробное подключение производилось непосредственно в монтажный блок, на контакты реле дальнего света (предварительно реле ДС было вынуто). Схема с ШИМ, как и положено, регулирует яркость дальнего света, но сбываются некоторые прогнозы относительно вносимых помех в бортовую сеть авто. В салоне авто установлена автономная сирена, дык вот она первая то и запела в такт ШИМу, на минимальной яркости (самый короткий импульс) самое громкое, по мере добавления яркости (импульс удлиняется) звук начинает затихать но совсем не пропадает. Вкл. Музыку (от головы, усилок не установлен) , в динамиках вроде тихо, заводил тоже ничего не услышал, кроме салонной сирены. На этом опыты временно приостановлены, т.к. нужно разобраться с сиреной (есть подозрение, что проблемы с её массой). Сам силовой полевик на 74 А, греется не оч.сильно, рука терпит, во время испытаний на радиатор не ставил.
По действующим правилам вне населённых пунктов требуется ездить с включенными фарами. От себя добавлю что и в городе это очень полезно - меньше слепые чудаки подрезают и пешеходы не так самоотверженно бросаются под колёса.
Видели на современных джипах лексус, бмв, мерс - с пуском двигателя лампы дальнего света зажигаются в полнакала? Считаю это правильным и удобным - хорошо идентифицирует авто на дороге, т.к. дальний светит в горизонт, а не в землю как ближний, при этом дальний свет в полнакала не слепит так как интенсивность ниже чем в полный накал.
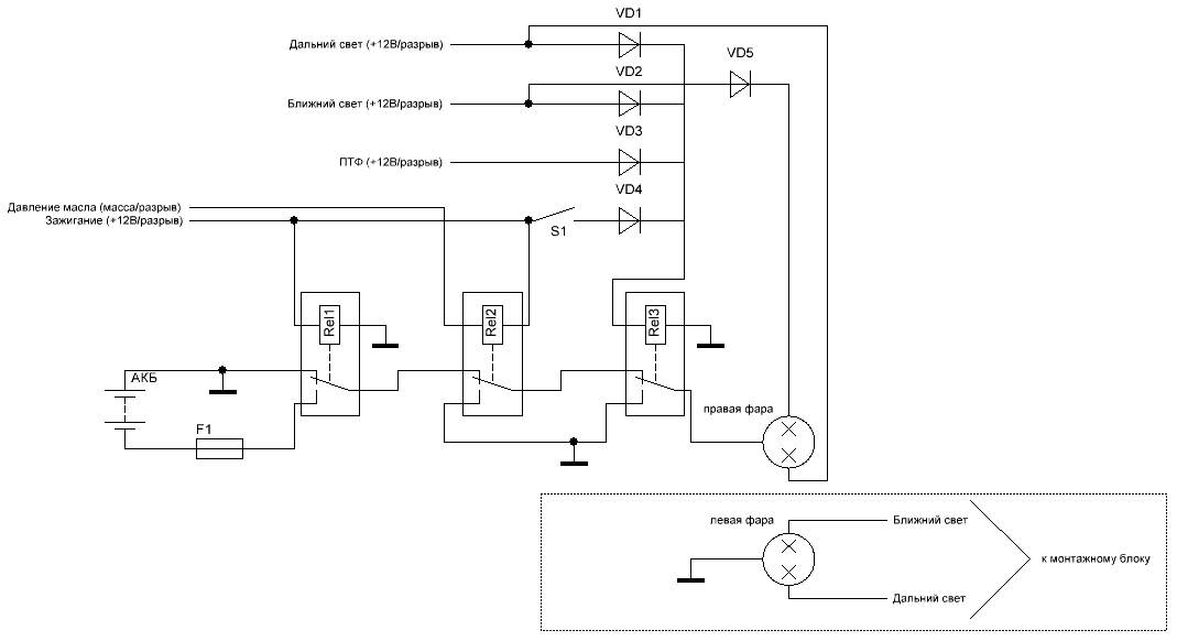
В минувшие выходные реализовал у себя такую схему - дальний свет в полнакала (дополнение выделено синим):
Не ясно насколько это будет заметно, может какое-нибудь быстродействующее реле поможет...
1. Не хочется чтобы при моргании дальним фары подмигивали (сначала одна в полный накал, и только через время срабатывания реле - другая).
Просто я считаю, что для такой фигни заморачиваться с ШИМ и тем более микроконтроллерами не стоит того
все замечательно собирается на копеечном допотопном 555 таймере
Вы не можете начинать темы
Вы не можете отвечать на сообщения
Вы не можете редактировать свои сообщения
Вы не можете удалять свои сообщения
Вы не можете голосовать в опросах
Вы можете вкладывать файлы
Вы можете скачивать файлы


