alexey 61 rus
14,5 для кальциевого маловато. Особенно зимой.
Мне попадались цифры от 15 до 16,5, но не получилось сейчас найти.
*Если найдешь достоверный источник, поделись, пожалуйста
Я больше доверяю устройствам, собранным на коленке.
Кальциевые и гибридные аккумуляторы в гораздо меньшей степени подвержены выкипаемости еще и потому, что состав их свинца обеспечивает свойства своеобразной "самовыключаемости" - они перестают принимать ток, когда заряжены на 95-97 %
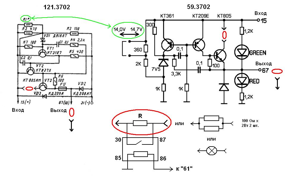
Позвольте независимое мнение, 121-й регулятор не совсем подходит к 37-му генератору, т.к. у 121-го одна щетка на массе висит, а у 37-го на плюсе подковы. требуется кроить проводку.
Больше подходит 13-й регулятор от Волги, или двухрежимный 131-й от Газели, у этих щётка на плюсе подковы. переделок-только два провода протянуть от щеток к регулятору, и лампа на приборке в штатном режиме будет работать. при необходимости можно вскрыть и перенастроить на другое напряжение(14,5в-к примеру).
По поводу проводки тут в основном требуется переделка счеточного узла, а остальное - мелочи!
alexey 61 rus
14,5 для кальциевого маловато. Особенно зимой.
Мне попадались цифры от 15 до 16,5, но не получилось сейчас найти. Вроде бы на сайте варты раньше были данные.
Думаю (но не утверждаю), 15 можно поставить без опасений. Проконтролировать чтобы не кипело.
Интуиция подсказывает, что истина где-то в диапазоне 15-15,5.
Правды нигде нет-по поводу напряжения для кальциевых аккумов.
Эта статья развеивает надежды на попытки создания автоматического РН, подходящего для любого АКБ.
Ведь получается, что в настоящее время имеется несколько типов, характеристики которых исключают использование какого-нибудь одного, пусть и самого лучшего РН.
Как один из возможных выводов - нужны рекомендации по выбору определенной акб для определенной марки авто.
Можно подойти и с точки зрения выбора такой акб, которой требуются именно те 13,5 V, что выдает стандартный РН, и их достаточно в любую погоду.
Вот и вопрос, есть ли такой акб в продаже?
РН требуют доработки с точки зрения ограничения тока в обмотке возбуждения генератора на момент, пока не запущен двигатель (для современных генераторов).
) ведет себя просто как вращающийся цилиндр из металла.
Вот поэтому уже требуется РН с возможностью ручной установки необходимого "штатного" уровня напряжения, например 14В или 14,5В. А так же с автоматической регулировкой (поддержанием) заданного уровня напряжения на клемах АКБ не взирая на обороты двигателя, нагрузку и температуру за бортом!
Но все эти готовые РН требуют дороботки с точки зрения ограничения тока в обмотке возбуждения генератора на момент пока не запущен двигатель (для современных генераторов). Осуществить такую доработку вообщемто не так сложно... 
1. Уважаемый pivinik, мечтать не вредно. У каждого генератора есть нагрузочная характеристика. По ней видно, на каких оборотах с генератора какой ток можно снять. И никакой РН-14 не сможет выйти за пределы этой характеристики. На переднеприводных ВАЗах генератор имеет большую, по сравнению с классикой, скорость вращения генератора. Поэтому на ХХ можно снять приличную мощность.
2. Про какое ограничение тока Вы глаголете? Тем более на современных генераторах. Генератор самовозбуждается от оборотов якоря и малого начального тока (лампа контроля заряда АКБ). И чего тут ограничивать? Вот когда напряжение генератора станет чуть больше установленного, вот тогда РН-14 начнёт ограничивать ток в обмотке возбуждения, поддерживая на выходе генератора заданное напряжение. В.Д.
А на переднем приводе ВАЗа разве другие холостые обороты или диаметр шкивов!? Вроде как на карбовой версии, покрайней мере, все одинаково
. На инжекторе да, "гена" помощнее и диаметр шкива другой.
Лампа 5w потребляет, согласно закона дедушки Ома, 5 делим на 12,5 получается 0,4А. Вот такой начальный ток идёт в обмотку возбуждения генератора 37.3701. В.Д.
Это скорее к нашим электрокорифеям!
Можно, наверное и по аналогии и просто реле с лампочкой на Выход подключить
. А изменять регулируемое напряжение в РН 121.3702 можно путем увеличения номинала резистора R1. 1. Уважаемый pivinik, мечтать не вредно. У каждого генератора есть нагрузочная характеристика. По ней видно, на каких оборотах с генератора какой ток можно снять. И никакой РН-14 не сможет выйти за пределы этой характеристики. На переднеприводных ВАЗах генератор имеет большую, по сравнению с классикой, скорость вращения генератора. Поэтому на ХХ можно снять приличную мощность.
2. Про какое ограничение тока Вы глаголете? Тем более на современных генераторах. Генератор самовозбуждается от оборотов якоря и малого начального тока (лампа контроля заряда АКБ). И чего тут ограничивать? Вот когда напряжение генератора станет чуть больше установленного, вот тогда РН-14 начнёт ограничивать ток в обмотке возбуждения, поддерживая на выходе генератора заданное напряжение. В.Д.
А на переднем приводе ВАЗа разве другие холостые обороты или диаметр шкивов!? Вроде как на карбовой версии, покрайней мере, все одинаково
. На инжекторе да, "гена" помощнее и диаметр шкива другой.
Лампа 5w потребляет, согласно закона дедушки Ома, 5 делим на 12,5 получается 0,4А. Вот такой начальный ток идёт в обмотку возбуждения генератора 37.3701. В.Д.
Это скорее к нашим электрокорифеям!
Можно, наверное и по аналогии и просто реле с лампочкой на Выход подключить
. А изменять регулируемое напряжение в РН 121.3702 можно путем увеличения номинала резистора R1.На переднеприводных машинах другое передаточное число у генератора. Я уже писал. В.Д.
Посмотрите на характеристике Вашего генератора, какой ток он может отдать на (800...1000)об/мин. Сопоставьте с Вашей нагрузкой. И увидите: или добавлять обороты двигателя, или уменьшать нагрузку.
Меня интересует реальное поведение ситемы (гена + рн) в "боевых" условиях, т.е. когда автомобиль стоит в пробке со стандартной нагрузкой (габариты, ближний свет или птф, магнитола). И менно на ХХ мне интересно что может выдать "гена с чебурашкой"
Меня интересует реальное поведение ситемы (гена + рн) в "боевых" условиях, т.е. когда автомобиль стоит в пробке со стандартной нагрузкой (габариты, ближний свет или птф, магнитола). И менно на ХХ мне интересно что может выдать "гена с чебурашкой"

По моему в графиках есть неточность. Указаны обороты двигателя, но генератор вращается в 2,04 или 2,4 раза быстрее, чем колено в двигателе.
Вы не можете начинать темы
Вы не можете отвечать на сообщения
Вы не можете редактировать свои сообщения
Вы не можете удалять свои сообщения
Вы не можете голосовать в опросах
Вы можете вкладывать файлы
Вы можете скачивать файлы


