bogd@n
На форуме 10 лет
Сообщения: 22
Откуда: Луганск
Авто: ВАЗ-21093 1,5 1992 г.в
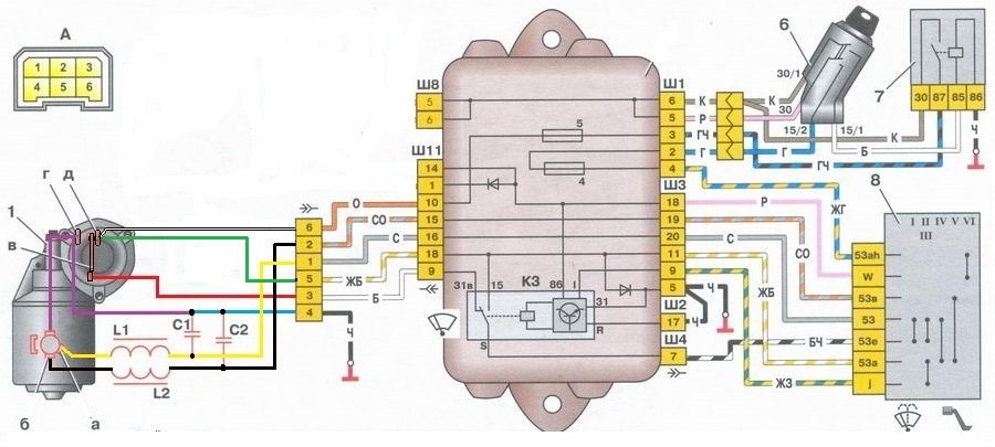
При нормальной схеме + приходит по оранж на мотор и должен вернутся по ж/б на переключатель 53а, а в моем случае он вернется по серому и куда на 53
Добавлено спустя 1 минуту 14 секунд:
Я наверное завтра достану все провода из колодки по схеме будут их вставлять
т808
На форуме 15 лет
Сообщения: 47918
Откуда: PODOLSK
Авто: ВАЗ 21093 МПСЗ
bogd@n писал(а): в моем случае он вернется по серому и куда на 53
И получается чушь!
bogd@n писал(а):достану все провода из колодки по схеме будут их вставлять
Не все так очевидно!
Для этого необходимо ТОЧНО ЗНАТЬ какие где провода в ответной колодке со стороны моторедуктора,там они совершенно других цветов,
вот потому я еще раз советую найти и сфоткать этот разъем НА ДРУГОЙ МАШИНЕ !!!
bogd@n
На форуме 10 лет
Сообщения: 22
Откуда: Луганск
Авто: ВАЗ-21093 1,5 1992 г.в
Тогда объясни почему у тебя:
на жел.-белом проводе(колодка между ЧЯ и моторчиком) напряжения нет
Ведь ЖЕЛТО/белый на 5-й клемме,это тот же ОРАНЖЕВЫЙ а 6-й клемме
И не будет потому что провода перекинуты неправильно
т808
На форуме 15 лет
Сообщения: 47918
Откуда: PODOLSK
Авто: ВАЗ 21093 МПСЗ
bogd@n писал(а):И не будет потому что провода перекинуты неправильно
Ну конечно!Если в тебя Желто/белый вместо Серого на щетку движка отправили

,тогда да - не будет.
Знатно кто-то поколхозил,а ведь могли и проводку спалить.
bogd@n
На форуме 10 лет
Сообщения: 22
Откуда: Луганск
Авто: ВАЗ-21093 1,5 1992 г.в
Я сегодня разбирал моторедуктор вот рисунок в натуре и как перекину провода
| 1.jpg |
| Описание: |
|
| Размер файла: |
25.96 KB |
| Просмотрено: |
149 раз(а) |

|
т808
На форуме 15 лет
Сообщения: 47918
Откуда: PODOLSK
Авто: ВАЗ 21093 МПСЗ
bogd@n писал(а):рисунок в натуре и как перекину провода
Абсолютно верно!
Будем надеяться,что при этом правильном подключении дворники заработают как им положено и что дорожки в ЧЯ не сожгли таким колхозом.
bogd@n
На форуме 10 лет
Сообщения: 22
Откуда: Луганск
Авто: ВАЗ-21093 1,5 1992 г.в
В ЧЯ дорожки смотрел вроде бы целые
т808
На форуме 15 лет
Сообщения: 47918
Откуда: PODOLSK
Авто: ВАЗ 21093 МПСЗ
bogd@n писал(а):В ЧЯ дорожки смотрел вроде бы целые
А он у тебя родной,еще с круглыми предами?
Тогда хрен ты визуально что увидишь!
В нем две платы этажеркой,да еще и обе двусторонние.
bogd@n
На форуме 10 лет
Сообщения: 22
Откуда: Луганск
Авто: ВАЗ-21093 1,5 1992 г.в
нет он уменя "переходной" 17.. .3722
Добавлено спустя 2 минуты 2 секунды:
173.3722-01М
| fa5a5c8s-960.jpg |
| Описание: |
|
| Размер файла: |
217.42 KB |
| Просмотрено: |
145 раз(а) |

|
т808
На форуме 15 лет
Сообщения: 47918
Откуда: PODOLSK
Авто: ВАЗ 21093 МПСЗ
bogd@n писал(а):173.3722-01М
Значит уже заменили.
bogd@n
На форуме 10 лет
Сообщения: 22
Откуда: Луганск
Авто: ВАЗ-21093 1,5 1992 г.в
Сегодня мультиметром проверил цепи по схеме и судя по всему в этой части все гуд
Добавлено спустя 9 минут 34 секунды:
А вот что в моторедукторе
| vaz_2108_1751.jpg |
| Описание: |
|
| Размер файла: |
212.05 KB |
| Просмотрено: |
140 раз(а) |

|
| 23232.jpg |
| Описание: |
|
| Размер файла: |
266.79 KB |
| Просмотрено: |
153 раз(а) |

|
т808
На форуме 15 лет
Сообщения: 47918
Откуда: PODOLSK
Авто: ВАЗ 21093 МПСЗ
bogd@n писал(а):в этой части все гуд
Ну и ....
Клеммы переставил как нужно по схеме?
Заработало?
bogd@n
На форуме 10 лет
Сообщения: 22
Откуда: Луганск
Авто: ВАЗ-21093 1,5 1992 г.в
Переставил и сгорело реле
Добавлено спустя 20 минут 4 секунды:
Вроде бы все понятно но где какая-то заковырка, не могу понять
Добавлено спустя 11 минут 10 секунд:
У тебя никаких мыслей нет?
т808
На форуме 15 лет
Сообщения: 47918
Откуда: PODOLSK
Авто: ВАЗ 21093 МПСЗ
bogd@n писал(а):и сгорело реле
Вот этого и опасался,когда писАл,что:
т808 писал(а):Не все так очевидно!
bogd@n писал(а):Переставил
Опиши подробно какие провода (по цвету и расположению) моторедуктора на какой контакт колодки переключил (т.е. с проводом КАКОГО ЦВЕТА они в этой колодке теперь соединяются).
bogd@n
На форуме 10 лет
Сообщения: 22
Откуда: Луганск
Авто: ВАЗ-21093 1,5 1992 г.в
Оранж - Белый
Сер/Ор- Черный
Серый - Желт
Жел/Бел - Зел
Бел - Красн
Черн - Син.
Добавлено спустя 1 минуту 22 секунды:
Слева от ЧЯ, справа от моторед
Добавлено спустя 1 минуту 32 секунды:
вот так
| vaz_2108_1751.jpg |
| Описание: |
|
| Размер файла: |
113.85 KB |
| Просмотрено: |
150 раз(а) |

|
т808
На форуме 15 лет
Сообщения: 47918
Откуда: PODOLSK
Авто: ВАЗ 21093 МПСЗ
Все переключил абсолютно верно!
bogd@n писал(а):и сгорело реле
Это как?Дым что ли пошел?
Релюху не вскрывал?Как она внутри?
bogd@n
На форуме 10 лет
Сообщения: 22
Откуда: Луганск
Авто: ВАЗ-21093 1,5 1992 г.в
А вот какая была (без прерывистого)
Добавлено спустя 1 минуту 10 секунд:
Нет парковки не стало, ставлю другое реле парковка есть
Добавлено спустя 1 минуту 13 секунд:
Реле вскрывал ничего особенного не видно, наверно чип накрылся
Добавлено спустя 1 минуту 35 секунд:
"Сгоревшая" 526.3787, та что потом ставлю 526.37.47
Добавлено спустя 2 минуты 46 секунд:
Я купил специально 526.3747 что бы доработать паузу, ну и тут таким гемором столкнулся
Добавлено спустя 3 минуты 17 секунд:
На последней схеме в принципе с\о поменять с ж\б местами и вроде бы как должно работать, а ни тут то было
| vaz_2108_1751 — копия.jpg |
| Описание: |
|
| Размер файла: |
113.69 KB |
| Просмотрено: |
157 раз(а) |

|
т808
На форуме 15 лет
Сообщения: 47918
Откуда: PODOLSK
Авто: ВАЗ 21093 МПСЗ
bogd@n писал(а):с\о поменять с ж\б местами
Охренел что ли??????????????????
bogd@n писал(а):наверно чип накрылся
Это вряд ли.
Глянь с пристрастием в релюшке контакты на переключение.
Нет ли момента,когда они все три замкнуты?!
bogd@n
На форуме 10 лет
Сообщения: 22
Откуда: Луганск
Авто: ВАЗ-21093 1,5 1992 г.в
ну почему на нормальной схеме с\о идет на щетки, ж\б на концевик
т808
На форуме 15 лет
Сообщения: 47918
Откуда: PODOLSK
Авто: ВАЗ 21093 МПСЗ
bogd@n писал(а):почему на нормальной схеме с\о идет на щетки
Да потому что СЕРЫЙ и СЕРЫЙ с оранжевой полосой провода,это провода ДЛЯ МЕДЛЕННОЙ и БЫСТРОЙ скорости и они приходят КАЖДЫЙ НА СВОЮ ЩЕТКУ. И только так!
bogd@n писал(а): ж\б на концевик
Какой нафиг концевик???
Он просто припаян к одному из его контактов,чтобы не болтался,а по сути это ЧИСТЫЙ "ПЛЮС" питания.
Неужели не видишь,что он жестко с оранжевым спаян?
Кстати в новой 5-ти проводной схеме дворников Самары-2 этого провода вообще нет.
И еще одно замечание:
На всех этих схемах в моторедукторе неверно нарисован переключающий контакт!
Он должен быть в ЛЕВОМ положении,т.е. замкнуты контакты "В" с "Г" а контакт "Д" разомкнут.
bogd@n
На форуме 10 лет
Сообщения: 22
Откуда: Луганск
Авто: ВАЗ-21093 1,5 1992 г.в
ж\б на концевик я и имел ввиду к контакту
Как без вскрытия выяснить где какая щетка?
т808
На форуме 15 лет
Сообщения: 47918
Откуда: PODOLSK
Авто: ВАЗ 21093 МПСЗ
bogd@n писал(а):ж\б на концевик я и имел ввиду к контакту
Это просто чтобы спаять его с ОРАНЖЕВЫМ.
bogd@n писал(а):Как без вскрытия выяснить где какая щетка?
А зачем тебе это?
Ну если очень хочется,то расцепи колодки и прицепи массу на пин 4 колодки (у тебя это голубой),а "плюсом" например взятым с АКБ,коснись первого,а потом второго пина колодки (там СЕРЫЙ и СЕРО/оранжевый,а твои Черный и Желтый).
Серый (Черный)- медленная скорость
Серо/оранжевый (Желтый) - быстрая.
bogd@n
На форуме 10 лет
Сообщения: 22
Откуда: Луганск
Авто: ВАЗ-21093 1,5 1992 г.в
bogd@n
На форуме 10 лет
Сообщения: 22
Откуда: Луганск
Авто: ВАЗ-21093 1,5 1992 г.в
А прерывистый режим по какой цепи работает?
bogd@n
На форуме 10 лет
Сообщения: 22
Откуда: Луганск
Авто: ВАЗ-21093 1,5 1992 г.в
прицепи массу на пин 4 колодки (у тебя это голубой)
убрал голубой вообще из колодки режимы медленно и быстро постоянные работают без голубого провода
Добавлено спустя 3 минуты 47 секунд:
Затем поменял местами белый и зеленый(со стороны моторед) как и предполагал ничего не сгорело
Добавлено спустя 3 минуты 39 секунд:
А вот когда вроде бы по логике поменял местами: зеленый посадил на ж/б (как в оригинальной схеме), а черный посадил на сер/оранж (тоже как в оригинальной схеме) сгорел пред F5
| vaz_2108_1751 — копия — копия.jpg |
| Описание: |
|
| Размер файла: |
112.97 KB |
| Просмотрено: |
154 раз(а) |

|
| vaz_2108_1751 — копия — копия11111.jpg |
| Описание: |
|
| Размер файла: |
113.37 KB |
| Просмотрено: |
150 раз(а) |

|
ИНФОРМАЦИЯ ПО ИКОНКАМ И ВОЗМОЖНОСТЯМ
Вы не можете начинать темы
Вы не можете отвечать на сообщения
Вы не можете редактировать свои сообщения
Вы не можете удалять свои сообщения
Вы не можете голосовать в опросах
Вы можете вкладывать файлы
Вы можете скачивать файлы